W-2025SUS
Cat:Iompróir roth sus
Tíopáil D*w*d*b Seafta Méid an fhráma h*...
Ardstruchtúr, feidhmíocht ardcháilíochta, éasca le húsáid, iontaofacht ard agus marthanacht.
Is é atá sa iompróir rothaí líofa miotail ná tionól roth líofa miotail de bharra líofa, is iondúil go ndéantar na rothaí as stampáil agus ag gearradh dhá mhodh próiseála, is é an t -ábhar ná cruach chruach, cruach dhosmálta, plating chrome agus roghanna eile. Is iondúil go roinntear ábhar fráma i: cruach ghalbhánuithe, spraeála cruach, alúmanam, cruach dhosmálta.

Tíopáil D*w*d*b Seafta Méid an fhráma h*...
| Tíopáil | D*w*d*b | Seafta | Méid an fhráma h*w1*w2*w3*t | Airde H | Ar fad L | Ruid P | Luchtú Roth Aonair (kg) | Cineál fráma |
| W-2025SUS | 20x25x6.1x27 | M6x35l | 25x30x9x39x1.5 | 27 | 1000 · 1500 · 2000 | 25 · 30 · 35 | 40 | A |

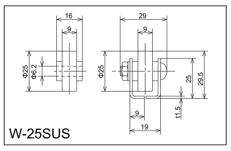
Tíopáil D*w*d*b Seafta Méid an fhráma h*...
| Tíopáil | D*w*d*b | Seafta | Méid an fhráma h*w1*w2*w3*t | Airde H | Ar fad L | Ruid P | Luchtú Roth Aonair (kg) | Cineál fráma |
| W-25SUS | 25x9x6.2x16 | M6x25l | 25x19x9x29x1.5 | 29.5 | 1000 · 1500 · 2000 | 30 · 35 | 30 | A |

Tíopáil D*w*d*b Seafta Méid an fhráma h*...
| Tíopáil | D*w*d*b | Seafta | Méid an fhráma h*w1*w2*w3*t | Airde H | Ar fad L | Ruid P | Luchtú Roth Aonair (kg) | Cineál fráma |
| W-2523sus | 25x23x8.2x25 | M8x35l | 25x28x9x40x1.5 | 29.5 | 1000 · 1500 · 2000 | 30 · 35 | 50 | A |

Tíopáil D*w*d*b Seafta Méid an fhráma h*...
| Tíopáil | D*w*d*b | Seafta | Méid an fhráma h*w1*w2*w3*t | Airde H | Ar fad L | Ruid P | Luchtú Roth Aonair (kg) | Cineál fráma |
| HG-W36SUS | 36x9x6.2x25 | M6x38l | 45x29x10x42x2.0 | 51 | 1800 · 2400 · 3000 | 50 · 75 · 100 · 150 | 40 | A |

Tíopáil D*w*d*b Seafta Méid an fhráma h*...
| Tíopáil | D*w*d*b | Seafta | Méid an fhráma h*w1*w2*w3*t | Airde H | Ar fad L | Ruid P | Luchtú Roth Aonair (kg) | Cineál fráma |
| W-36CS-SUS | 36x9x8.2x28 | M8x40L | 42x60x32x45x2.0 | 47 | 1800 · 2400 · 3000 | 50.75 · 100 · 150 | 40 | J |

Tíopáil D*w*d*b Seafta Méid an fhráma h*...
| Tíopáil | D*w*d*b | Seafta | Méid an fhráma h*w1*w2*w3*t | Airde H | Ar fad L | Ruid P | Luchtú Roth Aonair (kg) | Cineál fráma |
| W-36BW-SUS | 36x9x8.2x14 | M8x55l | 46x60x33 × 71 1.5 2.0 | 52 | 1800 · 2400 · 3000 | 50 · 75 · 100 · 150 | 40 | K |

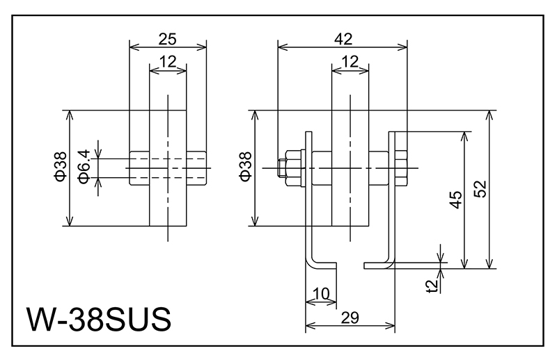
Tíopáil D*w*d*b Seafta Méid an fhráma h*...
| Tíopáil | D*w*d*b | Seafta | Méid an fhráma h*w1*w2*w3*t | Airde H | Ar fad L | Ruid P | Luchtú Roth Aonair (kg) | Cineál fráma |
| W-38sus | 38x12x6.4x25 | M6x38l | 45x29x10x42x2.0 | 52 | 1800 · 2400 · 3000 | 50 · 75 · 100 · 150 | 20 | A |

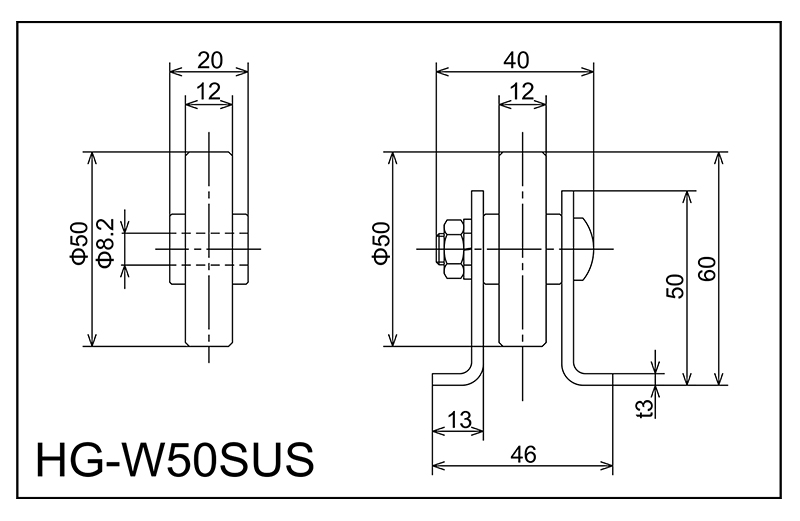
Tíopáil D*w*d*b Seafta Méid an fhráma h*...
| Tíopáil | D*w*d*b | Seafta | Méid an fhráma h*w1*w2*w3*t | Airde H | Ar fad L | Ruid P | Luchtú Roth Aonair (kg) | Cineál fráma |
| HG-W50SUS | 50x12x8.2x20 | M8x35l | 50x46x13x40x3.0 | 60 | 1800 · 2400 · 3000 | 75 · 100 · 150 · 200 | 80 | C |

Tíopáil D*w*d*b Luchtaithe (kg) W-38TS ...
| Tíopáil | D*w*d*b | Luchtaithe (kg) |
| W-38TS | 38x12x6.5x25 | 20 |
| W-40SL | 40x20x6.5x26 | 20 |
| W-50TS | 49.2x15.5x8x25 | 40 |
| W-3850D | 38.1x50x12.2x63 | 130 |
| W-4850D | 48.6x50x12.2x63 | 200 |
| W-5750p | 57x50x12.2x55 | 60 |
| W-5750D | 57.2x50x12.2x63 | 200 |
| W-6050D | 60.5x50x12.2x6 | 200 |

Tíopáil D*w*d*b Luchtaithe (kg) W-1225BS ...
| Tíopáil | D*w*d*b | Luchtaithe (kg) |
| W-1225BS | 12x25x4.1x27 | 35 |
| W-2015bs | 20x15x6.1x17 | 30 |
| W-2025BS | 20x25x6.2x27 | 40 |
| W-2050BS | 20x50x6.2x52 | 50 |
| W-20100BS | 20x100x6.2x102 | 50 |
| W-25BS-13 | 25x9x6.2x13 | 30 |
| W-25BS | 25x9x6.2x16 | 30 |
| W-2523BS | 25x23x8.2x25 | 50 |
| W-30BS | 30x50x10.5x55 | 160 |
| W-32BS | 32x25x8.2x28 | 90 |
| W-36BW-6 | 36x9x6.2x14 | 40 |
| W-36BS | 36x9x6.2x25 | 40 |
| W-36BW | 36x9x8.2x14 | 40 |
| W-36CS | 36x9x8.2x28 | 40 |
| W-50BS | 50x14.5x8.2x20 | 80 |
| W-50DS-8 | 50x14.5x8.2x32 | 100 |
| W-50DS-10 | 50x14.5x10.2x20 | 100 |
| W-50DS-12 | 50x14.5x12.2x20 | 100 |
| HW-76DS | 76.3x30x30x44 | 1000 |

Tíopáil D*w*d*b Luchtaithe (kg) W-2015sus ...
| Tíopáil | D*w*d*b | Luchtaithe (kg) |
| W-2015sus | 20x15x6.1x17 | 30 |
| W-2025SUS | 20x25x6.1x27 | 40 |
| W-25SUS | 25x9x6.2x16 | 30 |
| W-2523sus | 25x23x8.2x25 | 50 |
| W-36BW-SUS | 36x9x8.2x14 | 40 |
| W-36CS-SUS | 36x9x8.2x28 | 40 |
| HG-W36SUS | 36x9x6.2x25 | 40 |
| HG-W50SUS | 50x12x8.2x20 | 80 |

Tíopáil D*w*d*b Luchtaithe (kg) W-2015cr ...
| Tíopáil | D*w*d*b | Luchtaithe (kg) |
| W-2015cr | 20x15x6.2x17 | 30 |
| W-2025CR | 20x25x6.2x27 | 40 |
| W-25CR | 25x9x6.2x16 | 30 |
| W-2523CR | 25x23x8.2x25 | 50 |
| W-32CR | 32x25x8.2x28 | 90 |
| W-36BW-CR | 36x9x8.2x14 | 40 |
| W-36CS-CR | 36x9x8.2x28 | 40 |
| W-36BS-CR | 36x9x6.2x25 | 40 |
| W-36BS-3R | 36x9x6.2x25 | 40 |
| W-3850D-CR | 38.1x50x12.2x63 | 130 |
| W-50DS-CR | 50x14.5x12.2x20 | 100 |
| W-50BS-CR | 50x14.5x8.2x20 | 80 |
Cén fáth a mbíonn Tionchar Díreach ag Cothabháil Iompar Roller ar Shaolré an Chórais ...
Léigh TuilleadhCad a Dhéanann Iompróir Sorcóir Dleacht Trom I ndáiríre? Sainmhínítear iompair sorc...
Léigh TuilleadhCad is Iompróirí Rollóra ann agus Cén Fáth a Bhfuil Tábhacht ag an gCineál? Iom...
Léigh TuilleadhCén fáth go bhfanann Iompróirí Sorcóir mar Chnámh droma Láimhseáil Ábhar Iompró...
Léigh TuilleadhCórais iompair na milliúin tonna d’ábhar a bhogadh gach lá trasna monarchana, tr...
Léigh TuilleadhSracfhéachaint ar na Príomhchineálacha Córais Conveyor Belt Iompar crios t...
Léigh TuilleadhCeardaíocht a thabhairt chun cinn sa todhchaí.
Uimh.60, Zhenhu Bóthar Thuaidh, Baile Hudai, Ceantar Binhu, Wuxi 214100, an tSín
+86 139-2153-1116
+86-510-8558 1519/8558 1530
+86-510-8558 1520