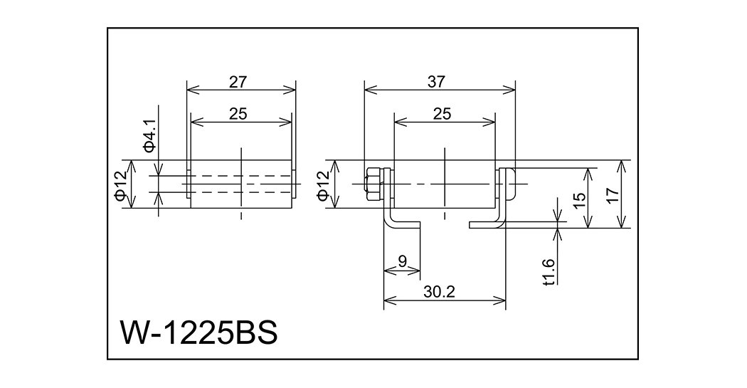
W-1225BS
Cat:Iompróir roth gearrtha
Tíopáil D*w*d*b Seafta Méid an fhráma h*...
Is uirlis an -éifeachtach é an t -iompróir roth, ar a dtugtar iarnród sorcóir nó sleamhnán sorcóir freisin, a úsáidtear le haghaidh láimhseáil ábhair agus línte táirgthe uathoibrithe. Is iondúil go bhfuil sé comhdhéanta de rollóirí agus lúibíní. Tacaíonn agus treoraíonn na rollóirí seo ualaí le haghaidh gluaiseachta réidh i dtreo sonraithe.

Tíopáil D*w*d*b Seafta Méid an fhráma h*...
| Tíopáil | D*w*d*b | Seafta | Méid an fhráma h*w1*w2*w3*t | Airde H | Ar fad L | Ruid P | Luchtú Roth Aonair (kg) | Cineál fráma |
| W-1225BS | 12x25x4.1x27 | M4x35l | 15x30.2x9x37x1.6 | 17 | 1000 · 1500 · 2000 | 14 | 35 | A |

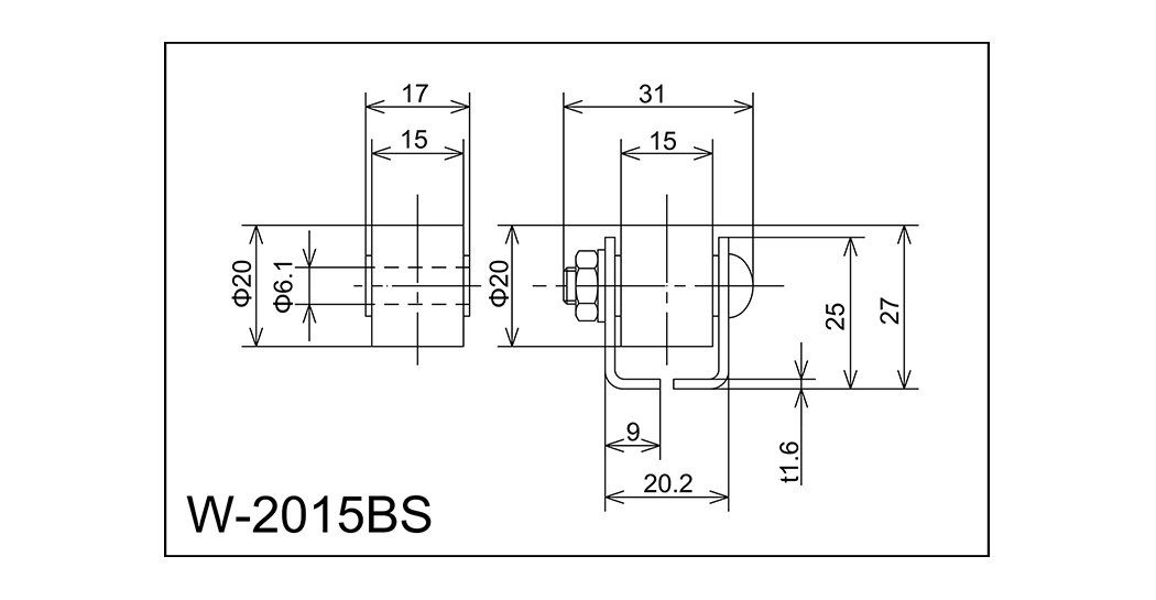
Tíopáil D*w*d*b Seafta Méid an fhráma h*...
| Tíopáil | D*w*d*b | Seafta | Méid an fhráma h*w1*w2*w3*t | Airde H | Ar fad L | Ruid P | Luchtú Roth Aonair (kg) | Cineál fráma |
| W-2015bs | 20x15x6.1x17 | M6x27l | 25x20.2x9x31x1.6 | 27 | 1000 · 1500 · 2000 | 25 · 30 · 35 | 30 | A |

Tíopáil D*w*d*b Seafta Méid an fhráma h*...
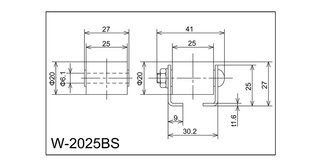
| Tíopáil | D*w*d*b | Seafta | Méid an fhráma h*w1*w2*w3*t | Airde H | Ar fad L | Ruid P | Luchtú Roth Aonair (kg) | Cineál fráma |
| W-2025BS | 20x25x6.1x27 | M6x37l | 25x30.2x9x41x1.6 | 27 | 1000 · 1500 · 2000 | 25 · 30 · 35 | 40 | A |

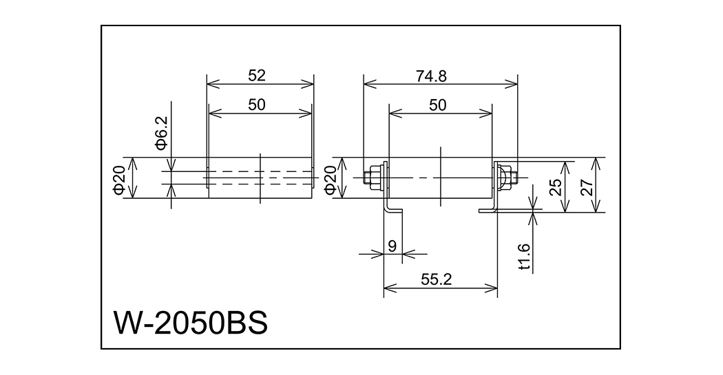
Tíopáil D*w*d*b Seafta Méid an fhráma h*...
| Tíopáil | D*w*d*b | Seafta | Méid an fhráma h*w1*w2*w3*t | Airde H | Ar fad L | Ruid P | Luchtú Roth Aonair (kg) | Cineál fráma |
| W-2050BS | 20x50x6.2x52 | M6x65l | 25x55.2x9x74.8x1.6 | 27 | 1000 · 1500 · 2000 | 25 · 30 · 35 | 50 | A |

Tíopáil D*w*d*b Seafta Méid an fhráma h*...
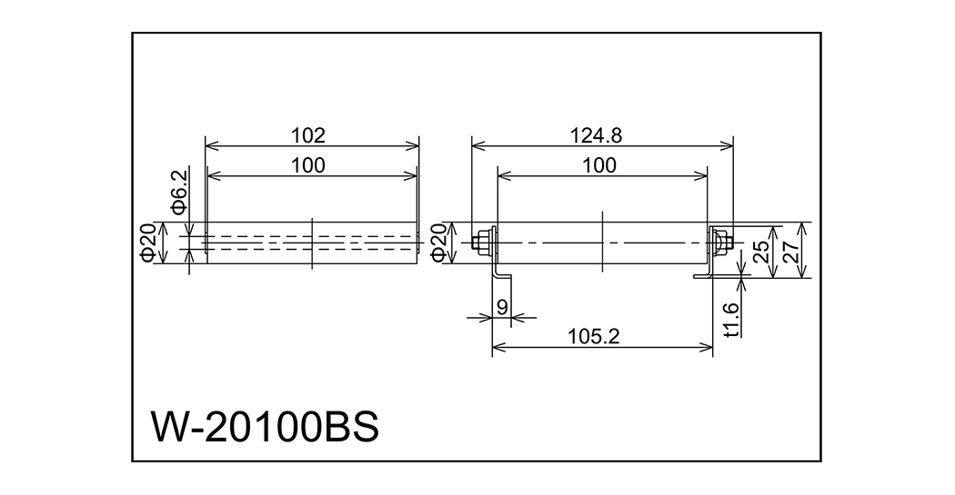
| Tíopáil | D*w*d*b | Seafta | Méid an fhráma h*w1*w2*w3*t | Airde H | Ar fad L | Ruid P | Luchtú Roth Aonair (kg) | Cineál fráma |
| W-20100BS | 20x100x6.2x102 | M6x115l | 25x105.2x9x124.8x1.6 | 27 | 1000 · 1500 · 2000 | 25 · 30 · 35 | 50 | A |

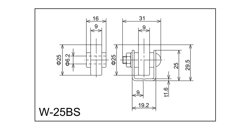
Tíopáil D*w*d*b Seafta Méid an fhráma h*...
| Tíopáil | D*w*d*b | Seafta | Méid an fhráma h*w1*w2*w3*t | Airde H | Ar fad L | Ruid P | Luchtú Roth Aonair (kg) | Cineál fráma |
| W-25BS | 25x9x6.2x16 | M6x27l | 25x19.2x9x31x1.6 | 29.5 | 1000 · 1500 · 2000 | 30 · 35 | 30 | A |

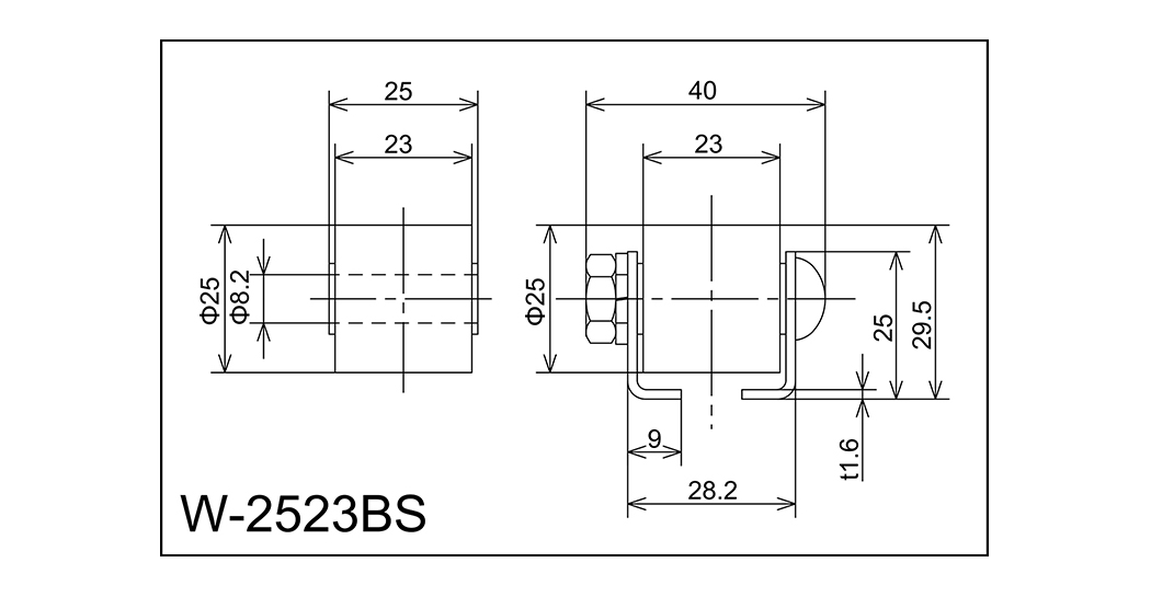
Tíopáil D*w*d*b Seafta Méid an fhráma h*...
| Tíopáil | D*w*d*b | Seafta | Méid an fhráma h*w1*w2*w3*t | Airde H | Ar fad L | Ruid P | Luchtú Roth Aonair (kg) | Cineál fráma |
| W-2523BS | 25x23x8.2x25 | M8x35l | 25x28.2x9x40x1.6 | 29.5 | 1000 · 1500 · 2000 | 30-35 | 50 | A |

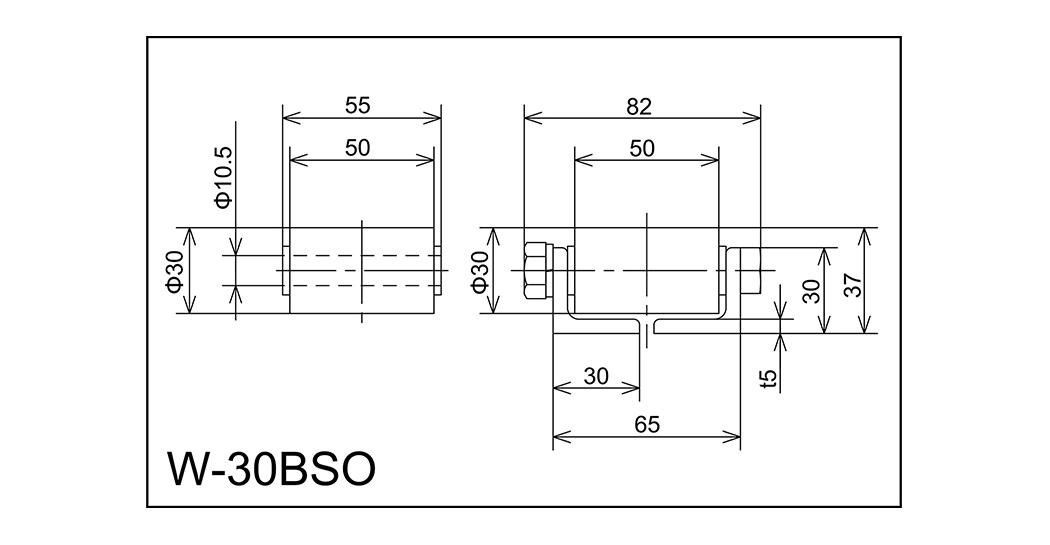
Tíopáil D*w*d*b Seafta Méid an fhráma h*...
| Tíopáil | D*w*d*b | Seafta | Méid an fhráma h*w1*w2*w3*t | Airde H | Ar fad L | Ruid P | Luchtú Roth Aonair (kg) | Cineál fráma |
| W-30BSO | 30x50x10.5x55 | M10x75l | 30x65x30x82x5 | 37 | 1000 · 2000 · 3000 | 35 · 50 | 160 | N |

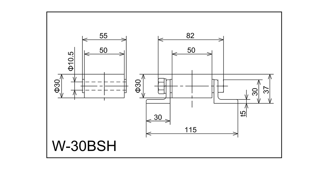
Tíopáil D*w*d*b Seafta Méid an fhráma h*...
| Tíopáil | D*w*d*b | Seafta | Méid an fhráma h*w1*w2*w3*t | Airde H | Ar fad L | Ruid P | Luchtú Roth Aonair (kg) | Cineál fráma |
| W-30BSH | 30x50x10.5x55 | M10x75l | 30x115x30x82x5 | 37 | 1000 · 2000 · 3000 | 35 · 50 | 160 | L |

Tíopáil D*w*d*b Seafta Méid an fhráma h*...
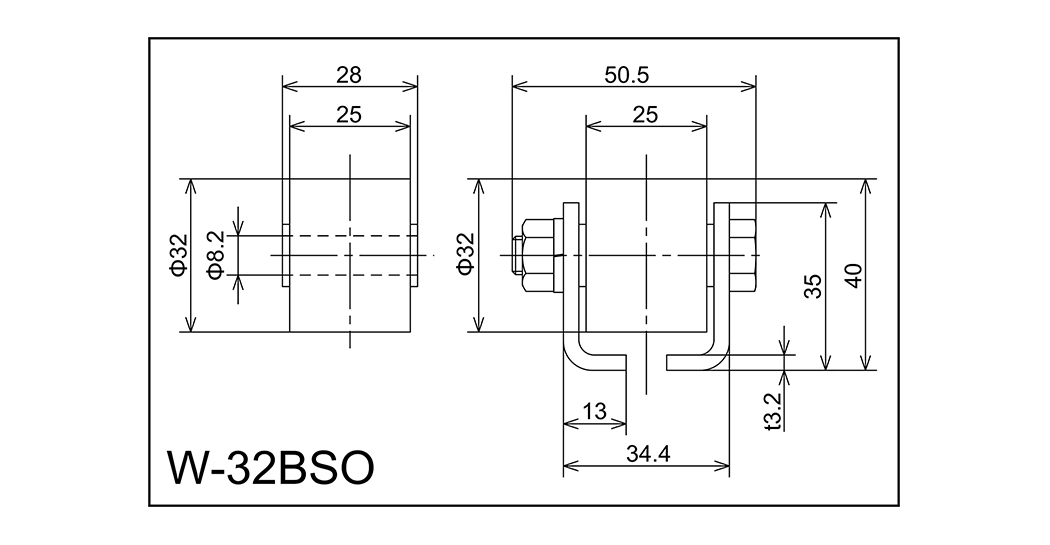
| Tíopáil | D*w*d*b | Seafta | Méid an fhráma h*w1*w2*w3*t | Airde H | Ar fad L | Ruid P | Luchtú Roth Aonair (kg) | Cineál fráma |
| W-32BSO | 32x25x8.2x28 | M8x45l | 35x34.4x13x50.5x3.2 | 40 | 1000 · 2000 · 3000 | 40 · 70 · 100 | 90 | A |

Tíopáil D*w*d*b Seafta Méid an fhráma h*...
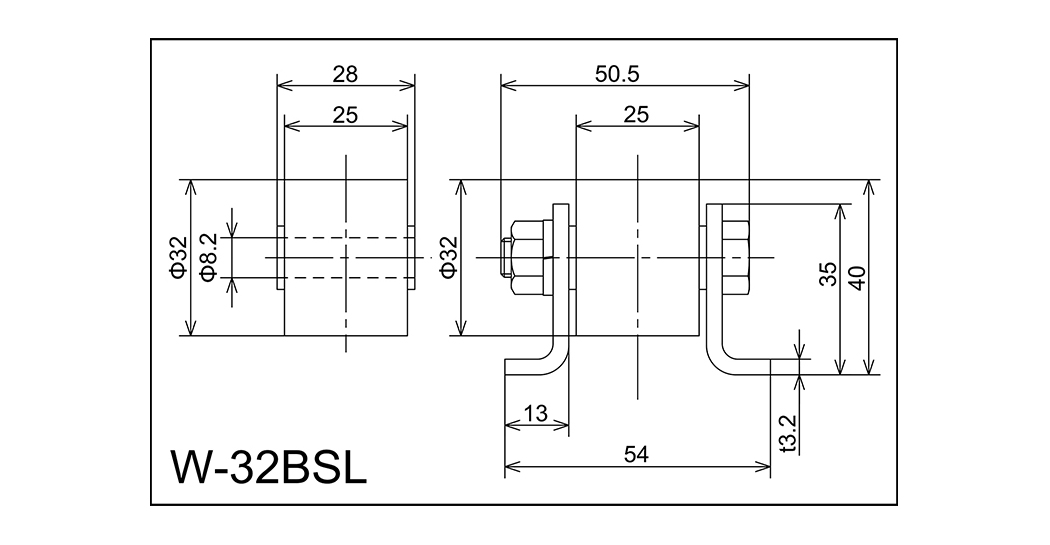
| Tíopáil | D*w*d*b | Seafta | Méid an fhráma h*w1*w2*w3*t | Airde H | Ar fad L | Ruid P | Luchtú Roth Aonair (kg) | Cineál fráma |
| W-32BSL | 32x25x8.2x28 | M8x45l | 35x54x13x50.5x3.2 | 40 | 1000 · 2000 · 3000 | 40 · 70 · 100 | 90 | C |

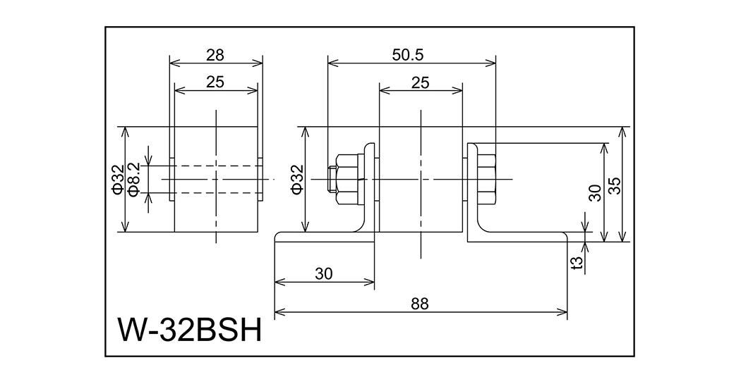
Tíopáil D*w*d*b Seafta Méid an fhráma h*...
| Tíopáil | D*w*d*b | Seafta | Méid an fhráma h*w1*w2*w3*t | Airde H | Ar fad L | Ruid P | Luchtú Roth Aonair (kg) | Cineál fráma |
| W-32BSH | 32x25x8.2x28 | M8x45l | 30x88x30x50.5x3.0 | 35 | 1000 · 2000 · 3000 | 40 · 70 · 100 | 90 | L |
Cén fáth a mbíonn Tionchar Díreach ag Cothabháil Iompar Roller ar Shaolré an Chórais ...
Léigh TuilleadhCad a Dhéanann Iompróir Sorcóir Dleacht Trom I ndáiríre? Sainmhínítear iompair sorc...
Léigh TuilleadhCad is Iompróirí Rollóra ann agus Cén Fáth a Bhfuil Tábhacht ag an gCineál? Iom...
Léigh TuilleadhCén fáth go bhfanann Iompróirí Sorcóir mar Chnámh droma Láimhseáil Ábhar Iompró...
Léigh TuilleadhCórais iompair na milliúin tonna d’ábhar a bhogadh gach lá trasna monarchana, tr...
Léigh TuilleadhSracfhéachaint ar na Príomhchineálacha Córais Conveyor Belt Iompar crios t...
Léigh TuilleadhLeideanna cothabhála agus cúraim do iomplaí roth
Le linn oibriú fadtéarmach, féadfaidh iompróirí deannach, ola, agus smionagar eile a charnadh, rud a mhéadóidh cuimilt amháin ach a chruthaíonn caitheamh ar rollóirí agus rianta. Dá bhrí sin, ba chóir go n -áireofaí le glanadh laethúil brú aeir nó uirlisí speisialta a úsáid chun smionagar a bhaint as an dromchla sorcóir chun teagmháil réidh a chinntiú idir an sorcóir agus an rian. Go háirithe agus tú ag déileáil le línte táirgthe le hábhair ghreamaitheacha nó i dtimpeallachtaí deannaigh, ba cheart an mhinicíocht glantacháin a mhéadú. Ina theannta sin, is céim thábhachtach é coinníoll na rollóirí agus na rollóirí a sheiceáil go rialta chun a chinntiú nach ndéantar iad a dhíspreagadh nó a dhamáistiú chun teipeanna a chosc.
Ginfidh rollóirí agus lúibíní cuimilt le linn na hoibríochta. Beidh easpa iomarcach ag easpa bealaithe cuí agus fiú codanna a mhaolú. Má roghnaítear an bealaidh cheart agus é a bhealaithe go rialta de réir mhinicíocht na húsáide is féidir le caitheamh na gcodanna meicniúla a laghdú go héifeachtach agus an trealamh a choinneáil ag rith go réidh. Go ginearálta, ba cheart bealaithe rollóirí agus imthacaí a sheiceáil gach trí mhí chun a chinntiú go bhfuil gach cuid rothlach bealaithe go hiomlán. Ina theannta sin, ní hamháin gur féidir le bealaithe cuí an caitheamh a laghdú ach an torann a laghdú le linn oibriú trealaimh, ag cruthú timpeallacht oibre níos ciúine.
Seiceáil ualach an iompair go minic chun a chinntiú go bhfeidhmíonn sé laistigh den raon ualach rátaithe. D'fhéadfadh ró -ualach damáiste nó dífhoirmiú na rollóirí a dhéanamh nó fiú teipeanna níos tromchúisí a chruthú. Dá bhrí sin, is gá gach córas tarchuir a sheiceáil go rialta chun a chinntiú go bhfuil sé i ngnáth -riocht oibre, ní scaoilte, agus nach dtáirgeann sé torann neamhghnácha. Le haghaidh córais a iompraíonn rudaí troma a iompar go minic, tá sé an -tábhachtach seiceáil agus ionad a dhéanamh go rialta ar phríomh -chomhpháirteanna amhail slabhraí tarchuir, rollóirí agus criosanna.
Ag Wuxi Huiqian Logistics Innealra déantúsaíochta Co. Bunaithe trí ardteicneolaíocht agus saineolas Seapánach a chomhtháthú, déanann ár gcuideachta speisialtóireacht i dtáirgeadh agus i ndíolacháin rollóirí, iompróirí sorcóir, iompróirí crios, cáis stórála, tralaithe loighistice, mion -iompróirí, frámaí, agus seilfeanna. Tá ár n-áis suite i gCeantar Forbartha Teicneolaíochta HI-Tech Náisiúnta Wuxi, agus tá córas bainistíochta cáilíochta láidir, fórsa saothair oilte, agus trealamh próiseála úrscothach ann.
An ... s'againne iomplaí roth , go háirithe, tá siad deartha le ardteicneolaíocht agus déantar iad a mhonarú ag baint úsáide as amhábhair ar ardchaighdeán faoi rialú dianchaighdeáin. Ní hamháin go bhfeidhmíonn na hiompróirí seo go han -mhaith i gcumas ualaigh ach go ndéanann siad an teagmháil idir rollóirí agus rianta a bharrfheabhsú freisin, ag cinntiú cobhsaíocht ábhartha le linn an phróisis iompair agus ag an am céanna an caitheamh agus an tomhaltas fuinnimh a laghdú. Trí dhearadh tuisceanach táirgí agus rialú beacht próisis, coinníonn ár n-iompróirí oibríocht chobhsaí fadtéarmach fiú i dtimpeallachtaí oibre géara, ag íoslaghdú minicíocht chothabhála agus ag laghdú costais oibriúcháin do ghnólachtaí.
Iarratais i bhfolach ar iomplaí roth Sa saol laethúil
B'fhéidir nach dtuigfidh go leor daoine go n -iompraítear earraí ó stórais go seilfeanna gach uair a dhéanann siad siopadóireacht nó fiú go díreach chuig cuntair seiceála, nach féidir a dheighilt ó thacaíocht na gcóras iompair. In ollmhargaí, mallaí siopadóireachta, agus ionaid dáilte, tá líon mór iompróirí rothaí ag feidhmiú go ciúin, ag cuidiú le baill foirne earraí a iompar go héifeachtach chuig suíomhanna ainmnithe trí rianta rollta. Ní hamháin go bhfeabhsaíonn na hiompróirí roth seo éifeachtúlacht oibríochtúil go mór ach laghdaíonn siad déine an tsaothair a bhaineann le láimhseáil láimhe, ag íoslaghdú earráidí agus caillteanais fhéideartha. Ag an am céanna, cuireann a ndearadh béim ar chobhsaíocht agus ar mharthanacht, rud a chuireann ar a gcumas oibriú go héifeachtúil i dtimpeallachtaí gnóthacha oibre chun a chinntiú go ndéantar earraí a sheilbh agus a scaipeadh ar bhealach tráthúil.
Is féidir iarratais chomhchosúla a fháil freisin in ionaid déantúsaíochta, trádstórála agus sórtála. Go háirithe i gcórais loighistice nua -aimseartha, is comhpháirt fíor -riachtanach iad iompróirí rothaí. Cinntíonn siad próisis loighistice réidh trí chainníochtaí móra dáileachtaí, páirteanna agus earraí a iompar agus a threorú. Sna réimsí seo, láimhseálann iompróirí rothaí ualaí éagsúla, ó dháileachtaí beaga go hearraí troma, ar féidir iad a iompar go réidh trí chórais sorcóir beacht-innealtóireachta. Go háirithe le linn buaicshéasúir saoire nó tréimhsí cur chun cinn, braitheann stórais agus ionaid lóistíochta go mór ar iompróirí roth. Cuireann a gcumas sreafa earraí éifeachtúla cosc ar mhoilleanna iompair go héifeachtach.
Ag Wuxi Huiqian Logistics Innealra déantúsaíochta Co. Bunaithe trí ardteicneolaíocht agus saineolas Seapánach a chomhtháthú, déanann ár gcuideachta speisialtóireacht i dtáirgeadh agus i ndíolacháin rollóirí ardchaighdeáin, iompróirí sorcóir, iompróirí crios, cáis stórála, tralaithe loighistice, mion-iompróirí, frámaí, agus seilfeanna. Bunaithe i gCeantar Forbartha Teicneolaíochta HI-Tech Náisiúnta Wuxi, tá córas bainistíochta cáilíochta láidir, lucht saothair oilte, agus trealamh próiseála ardleibhéil feistithe lenár n-áis, ag cinntiú go gcomhlíonann gach táirge na caighdeáin cháilíochta agus feidhmíochta is airde.
Taispeánann ár n -iompróirí roth, go háirithe, buntáistí móra sna cásanna feidhmithe laethúla seo. Is féidir leo ábhair de mheáchain agus de chruthanna éagsúla a láimhseáil agus iad ag úsáid ardteicneolaíochta agus ábhair sorcóir préimhe agus iad ag feidhmiú go cobhsaí i dtimpeallachtaí casta. Cibé an bhfuil sé ina shuíomh miondíola tráchtála a éilíonn oibríochtaí ardmhinicíochta nó réimse trádstórála agus lóistíochta a éilíonn luas agus cruinneas, soláthraíonn ár n-iompróirí roth réitigh iompair ábhair éifeachtúla, réidh agus iontaofa. Trí dhearadh nuálach agus rialú cáilíochta dian, tacaíonn ár dtáirgí le gnólachtaí chun oibríochtaí loighistice gan uaim a bhaint amach, costais a laghdú, agus táirgiúlacht a threisiú.
Ceardaíocht a thabhairt chun cinn sa todhchaí.
Uimh.60, Zhenhu Bóthar Thuaidh, Baile Hudai, Ceantar Binhu, Wuxi 214100, an tSín
+86 139-2153-1116
+86-510-8558 1519/8558 1530
+86-510-8558 1520







