Raca cás meánach
Cat:Raca cás meánach
Tá raca cásanna meánach oiriúnach chun go leor éagsúlachta a stóráil agus is beag méid earraí a s...
Is uirlisí riachtanacha iad racaí stóras, ar a dtugtar racaí stórála freisin, le haghaidh stórais nua -aimseartha chun éifeachtúlacht a fheabhsú trí fhreastal mar threalamh stórála le haghaidh míreanna pacáistithe. Úsáidtear racaí go forleathan in ollmhargaí, i stórais, agus in ionaid lóistíochta. Is féidir le dearaí agus cumraíochtaí éagsúla racaí freastal ar riachtanais stórála suíomhanna éagsúla, úsáid spáis a fheabhsú agus éifeachtúlacht oibriúcháin.

Tá raca cásanna meánach oiriúnach chun go leor éagsúlachta a stóráil agus is beag méid earraí a s...
Tá raca cásanna meánach oiriúnach chun go leor éagsúlachta a stóráil agus is beag méid earraí a stóráil.
Tá raca cásanna meánach oiriúnach chun earraí mionmhéide, earraí bosca nó earraí speisialta atá níos lú ná 500kg a stóráil.
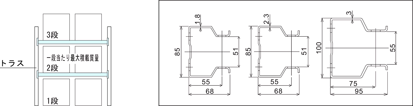
| Tíopáil | Méid truss | Max Luchtú | H | Thiar | Leithead éifeachtach | Leithead croí | Doimhne | |
| 1 luchtú ciseal (kg) | Max Luchtaithe (kg) | |||||||
| L | | 150 | 1000 | 1200 | 900 | 850 | 955 | 300 450 600 |
| 1200 | 1150 | 1255 | ||||||
| 1500 | 1450 | 1555 | ||||||
| 1800 | 1750 | 1855 | ||||||
| M | 300 | 1500 | 1500 | 900 | 850 | 955 | 450 600 750 900 | |
| 1200 | 1150 | 1255 | ||||||
| 1800 | 1500 | 1450 | 1555 | |||||
| 1800 | 1750 | 1855 | ||||||
| H | 500 | 2500 | 2100 | 900 | 850 | 955 | ||
| 2400 | 1200 | 1150 | 1255 | |||||
| 1500 | 1450 | 1555 | ||||||
| 1800 | 1750 | 1855 | ||||||
Bileog Acmhainne Luchtaithe
Max Luchtaithe (kg)
| Tíopáil | Trúis L1*l2*t | Max Luchtaithe (kg) | ||||
| 4 Sraitheanna | 5.6 Sraitheanna | |||||
| A | 25*25*1.5 | 300 | 400 | |||
| B | 32*32*1.5 | 450 | 600 | |||
| C | 38*38*1.8 | 600 | 800 | |||
Max Luchtaithe (kg)
| Doimhneacht/fad | 900 (mm) | 1200 (mm) | 1500 (mm) | 1800 (mm) | |||
| 300 (mm) | 100 | - | - | - | |||
| 450 (mm) | 150 | 150 | 100 | 60 | |||
| 600 (mm) | 200 | 200 | 150 | 100 | |||

Rogha · Tá trí chineál den raca trom seo: L, M, H. ...
Rogha
| · Tá trí chineál den raca trom seo: L, M, H.
· Tá an cumas uasta luchtaithe ag brath ar airde agus ar shraitheanna, féach le do thoil ar an mbileog luchtaithe.
· Is talamh coincréite é an coinníoll a bhaineann le hacmhainn luchtaithe a mhaolú, agus ba chóir an raca a shocrú le bolt in -fhairsing. | |
| Tíopáil | Airde (mm) | Leithead (mm) | Doimhneacht (mm) |
| L Cineál (meáchan éadrom) | 2000 2500 3000 3500 4000 4500 5000 5500 6000 7000 8000 | 2000 2300 2500 2700 3000 3200 | 600 800 900 1000 1100 1200 |
| Cineál M (meáchan lárnach) | |||
| H Cineál (meáchan trom) |
Max luchtú truss
| Max Luchtú gach ciseal (kg) | |||||||||||
| Sraitheanna/Truss/Airde (MM) | 2 Ciseal | 3 Ciseal | 4 Ciseal | 5 Ciseal | |||||||
| L | M | L | M | H | L | M | H | L | M | H | |
| 2000 | 4440 | 5470 | 3140 | 3870 | 5190 | 2360 | 2900 | 3890 | 1880 | 2320 | 3110 |
| 2500 | 4020 | 4960 | 3130 | 3860 | 5190 | 2360 | 2900 | 3890 | 1880 | 2320 | 3110 |
| 3000 | 3670 | 4540 | 2920 | 3600 | 5120 | 2360 | 2900 | 3890 | 1880 | 2320 | 3110 |
| 3500 | 3380 | 4180 | 2730 | 3370 | 4830 | 2290 | 2820 | 3890 | 1880 | 2320 | 3110 |
| 4000 | 3130 | 3870 | 2560 | 3170 | 4560 | 2170 | 2680 | 3820 | 1880 | 2320 | 3110 |
| 4500 | 2920 | 3610 | 2420 | 2990 | 4330 | 2070 | 2550 | 3650 | 1800 | 2220 | 3110 |
| 5000 | 2730 | 3380 | 2290 | 2830 | 4120 | 1970 | 2430 | 3500 | 1730 | 2130 | 3040 |
| 5500 | 2570 | 3180 | 2170 | 2690 | 3920 | 1880 | 2330 | 3360 | 1660 | 2050 | 2940 |
| 6000 | 2420 | 3000 | 2070 | 2560 | 3750 | 1800 | 2230 | 3230 | 1600 | 1970 | 2840 |
| 7000 | 2180 | 2690 | 1880 | 2330 | 3440 | 1660 | 2060 | 3000 | 1490 | 1840 | 2660 |
| 8000 | 1960 | 2440 | 1730 | 2140 | 3180 | 1540 | 1910 | 2800 | 1390 | 1720 | 2500 |
Caighdeán None None Crith Talún: K = 0.03 (Comhéifeacht Croitheadh Leibhéal)
Uas -luchtú bhíoma
| Max Luchtú gach ciseal (kg) | |||||||
| Airde leithead/bhíoma | 2000 | 2300 | 2500 | 2700 | 3000 | 3200 | |
| 80 | 1777 | 1344 | 1137 | - | - | - | |
| 100 | 2560 | 2226 | 1917 | 1644 | 1331 | 1170 | |
| 110 | 2918 | 2538 | 2335 | 2055 | 1665 | 1463 | |
| 120 | 3277 | 2849 | 2621 | 2427 | 2042 | 1794 | |
| 140 | 4045 | 3517 | 3236 | 2996 | 2697 | 2528 | |
| 160 | - | 4998 | 4598 | 4257 | 3831 | 3592 | |
Is féidir treoir dhifriúil a shuiteáil de réir forklifts comhfhreagracha, ar féidir leo leithead an ais a laghdú agus an spás a úsáid.

[Cineál Iarnróid] Is féidir iarnród a chinneadh ar thailte ...
| [Cineál Iarnróid] Is féidir iarnród a chinneadh ar thailte Is féidir le riocht suímh dhifriúil dálaí oibre éagsúla a chruthú | Dhá chineál iarnróid Iarnród seasta a úsáidtear oibríocht taobh fpr sigle- |
| Barra Manget gan Iarnród | |
Struchtúr
Sonraíocht bhunúsach
| Painéal taobh | Luas | Móchleasa | Cumhacht | Rialaithe | Trealamh Slán | |
| Iarneoir | 12t (cineál 2-roth) 24T (cineál 4-roth) | Uas 10m/min | Uasmhéid 1.5kw | Aonchéim Céim thrinal | Rialaithe ag an líonra | Aisle glasála uathoibríoch Iontráil ag seiceáil Lampa táscaire solais Thar chosaint luchtaithe |
| 16T (cineál 2-roth) 32t (cineál 4-roth) | ||||||
| Neamh iarnróid | 8t (cineál 2-roth) 16T (cineál 4-roth) |

Glacadh le raca aisleáin mheánmhéide agus trom de mhinicíocht ard. ...
| Glacadh le raca aisleáin mheánmhéide agus trom de mhinicíocht ard. Oiriúnach le haghaidh raca iniompartha sraithe seicheamhach le minicíocht ard.
| Is féidir an raca a roghnú de réir mhéid an bhosca agus cainníochtaí earraí. |
| A úsáidtear go forleathan sa stóras loighistice nó sa líne táirgthe. | |
| Tá an conaire rothaí áisiúil chun an raca a cheangal nó a urscaoileadh. |
Cumas
|
Struchtúr éasca Is féidir suiteáil éasca, fráma agus coisceoir roth a choigeartú go dtí an áit oiriúnach.
| |
|
Conadóir caighdeánach roth Sorcóir Croí Iarainn: ф28 | |
|
éifeachtúlacht oibre a lmáil Stóráil éasca earraí, áisiúil do working
|

Feidhmeanna Tá raca do...
|
Feidhmeanna Tá raca domhantarraingthe FLFO bunaithe ar chlaonadh (4%) de rian sleamhnáin agus meáchan marbh earraí. Úsáidtear rollóirí díreacha domhantarraingthe mar thacaíocht chun sleamhnú síos. Tá tréchur LTS ard. Is féidir stóráil agus aisghabháil a dhéanamh ag an am céanna, mar sin méadaítear luas sreafa na n -earraí. Críosaí Tá LT oiriúnach do phailléid nó do stóráil mhór-toirte, w/ níos lú cineálacha earraí. Úsáidtear gach rian sleamhnáin chun earraí a stóráil agus a aisghabháil mar chineál amháin earraí agus is féidir. Tá cur i bhfeidhm leathan ag LT i dtionscail mar mheicniúil, ceimiceach, leictreonach, dí agus bia srl.
| Sorcóir coscáin |
Bheith
| Deighilteoir slándála pailléid |

Oiriúnach chun bás a fháil ar bhás na bpionta. Sonraíocht 1. Gach ciseal a luchtú: u...
Oiriúnach chun bás a fháil ar bhás na bpionta.
Sonraíocht
1. Gach ciseal a luchtú: uas 1000kg
2. Maxlayers: 4Lagers
3. Toise: 1300WX800L
4. HeightsOfeachLayer: 500mm
5.
6. Socrú bolt
7. Roghanna: ①lon Clapboard ②Four sraitheanna
Saintréith
Oiriúnach chun earraí troma a stóráil, bás roisín, bás miotail a stampáil agus mar sin de.
Is féidir an ciseal pailléid sleamhnáin a mhéadú agus a tharraingt.
Éasca le haghaidh oibre iniompartha.

Raca Aisle ...
|
Raca Aisle Oiriúnach chun cúpla éagsúlacht nó méid mór earraí a stóráil.
| |
|
Cén fáth a mbíonn Tionchar Díreach ag Cothabháil Iompar Roller ar Shaolré an Chórais ...
Léigh TuilleadhCad a Dhéanann Iompróir Sorcóir Dleacht Trom I ndáiríre? Sainmhínítear iompair sorc...
Léigh TuilleadhCad is Iompróirí Rollóra ann agus Cén Fáth a Bhfuil Tábhacht ag an gCineál? Iom...
Léigh TuilleadhCén fáth go bhfanann Iompróirí Sorcóir mar Chnámh droma Láimhseáil Ábhar Iompró...
Léigh TuilleadhCórais iompair na milliúin tonna d’ábhar a bhogadh gach lá trasna monarchana, tr...
Léigh TuilleadhSracfhéachaint ar na Príomhchineálacha Córais Conveyor Belt Iompar crios t...
Léigh TuilleadhAn tábhacht a bhaineann le Racaí stórála stóras In Ionaid Loighistice: Féach ar thairiscintí Wuxi Huiqian
In ionaid loighistice nua -aimseartha, tá úsáid éifeachtach spáis agus eagraíochta ríthábhachtach chun éifeachtúlacht oibríochtúil a uasmhéadú. Racaí Trádstórais , ar a dtugtar racaí stórála freisin, is comhpháirteanna criticiúla iad a chuidíonn leis an sprioc seo a bhaint amach. Trí stóráil struchtúrtha a sholáthar le haghaidh míreanna pacáistithe, is féidir le racaí rochtain éasca a dhéanamh, spás urláir a bharrfheabhsú, agus sreafaí oibre a shruthlíniú. I dtimpeallachtaí gnóthacha cosúil le stórais, ollmhargaí, agus ionaid lóistíochta, is féidir le roghnú an chórais raca ceart feabhas suntasach a chur ar acmhainn stórála agus táirgiúlacht oibríochtúil.
Ag Wuxi Huiqian Logistics Innealra déantúsaíochta Co. Tógtar ár dtáirgí le cruinneas agus ionchorpraíonn siad ardteicneolaíocht, ag cinntiú iontaofacht agus feidhmíocht i raon leathan feidhmeanna.
Racaí seilfeanna stóras Tar isteach i bhfoirmíochtaí agus i ndearaí éagsúla, gach ceann acu a oireann do riachtanais shonracha. Cibé an dteastaíonn aonad seilfeanna bunúsach nó córas casta uait a thacaíonn le stóráil tromshaothair, déanann ár dtairiscintí freastal ar riachtanais éagsúla. Le fócas ar leas iomlán a bhaint as spás, cabhraíonn ár racaí le hionaid lóistíochta an chuid is mó dá limistéar atá ar fáil, rud a chumasaíonn bainistíocht fardail níos fearr agus oibríochtaí níos fusa.
Tá ár saineolas ag Wuxi Huiqian ní hamháin maidir le trealamh loighistice barr-notch a mhonarú ach freisin maidir le réitigh shaincheaptha a sholáthar do gach custaiméir. Tuigimid nach bhfuil aon dá ionad lóistíochta araon, agus cuirimid dearaí solúbtha ar fáil a chomhlíonann dúshláin uathúla stórála. Ó fhrámaí láidre go córais seilfeanna inchoigeartaithe, cinntíonn ár dtáirgí go gcomhlíontar do riachtanais stórála go héifeachtach agus go cost-éifeachtach.
Soláthraíonn suíomh ár gcuideachta i gCeantar Forbartha Teicneolaíochta Ard-Tech Wuxi rochtain áisiúil ar iompar agus ar shaoráidí máguaird, rud a cheadaíonn seachadadh tapa, iontaofa ár dtáirgí. Le foireann tiomnaithe agus trealamh próiseála ardleibhéil, cloíimid le córas dian bainistíochta cáilíochta (QMS) chun a chinntiú go gcomhlíonann gach táirge na caighdeáin is airde marthanacht agus feidhmiúlacht.
De réir mar a leanann an tionscal loighistice ag forbairt, fásann an t -éileamh ar réitigh stórála níos éifeachtaí agus níos ildánach. Ag Wuxi Huiqian, táimid tiomanta do chórais nuálacha raca agus trealamh loighistice a fhorbairt a thacaíonn le riachtanais dhinimiciúla na stórais nua -aimseartha agus na n -ionad lóistíochta. Cinntíonn ár bhfócas ar cháilíocht, sláine, agus sástacht chustaiméirí gur comhpháirtí iontaofa muid do ghnólachtaí atá ag iarraidh a gcumas stórála a fheabhsú.
Trí tháirgí Wuxi Huiqian a roghnú, ní hamháin go bhfuil tú ag infheistiú i racaí stóras; Tá tú ag cur le héifeachtúlacht agus le héifeachtacht do chuid oibríochtaí lóistíochta. Tugaimid cuireadh do gach gnólacht ár réitigh a fhiosrú agus a fheiceáil conas is féidir linn cabhrú lena gcórais stórála a bharrfheabhsú. Cuirtear fáilte i gcónaí roimh do chuid aiseolais agus do léargais agus muid ag leanúint ar aghaidh ag iarraidh barr feabhais a bhaint amach i ngach táirge a dhéanaimid.
Lóistíocht a shruthlíniú: Conas Raca stóras Táirgiúlacht oibríochtúil a fheabhsú
Tá réitigh stórála éifeachtúla i gcroílár na loighistice nua -aimseartha, agus tá racaí stóras ríthábhachtach chun oibríochtaí a shruthlíniú. Trí stóráil eagraithe, éasca le rochtain a sholáthar, cabhraíonn na racaí seo leis an spás a bharrfheabhsú, moilleanna oibríochtúla a laghdú, agus táirgiúlacht fhoriomlán a fheabhsú. Is féidir le córas raca dea-dheartha feabhas mór a chur ar shreafaí oibre stóras, as a dtiocfaidh comhlíonadh ord níos tapúla agus rialú fardail níos fearr.
Déanann Wuxi Huiqian Logistics Innealra Déantúsaíocht Co. Tá ár racaí deartha chun cumas stórála a uasmhéadú agus chun inrochtaineacht a fheabhsú, rud a chabhraíonn le cuideachtaí scrogaill oibríochtúla a laghdú agus an t -am neamhfhónaimh a íoslaghdú. Le fócas ar éifeachtúlacht, déanaimid réitigh a sheachadadh a chuidíonn le gnólachtaí a gcuid earraí a bhainistiú ar bhealach níos éifeachtaí.
Ceann de na príomhbhuntáistí a bhaineann le Racaí stórála stóras is é an cumas atá acu spás a bharrfheabhsú. Trí úsáid a bhaint as stóráil ingearach, méadaíonn racaí dlús stórála agus cabhraíonn sé le cuideachtaí an leas is fearr a bhaint as a spás stóras atá ar fáil. Laghdaíonn sé seo an gá le leathnú nó limistéir stórála breise, agus mar thoradh air sin tá costais oibríochtúla níos ísle agus brabúsacht níos fearr.
Chomh maith le racaí, cuireann Wuxi Huiqian raon iomlán trealaimh loighistice ar fáil, lena n -áirítear iompróirí sorcóir, mion -iompróirí, agus córais seilfeanna, iad uile atá deartha chun oibriú gan stró le chéile. Cibé an dteastaíonn stóráil tromshaothair uait le haghaidh míreanna builc nó réitigh níos speisialaithe le haghaidh fardal sonrach, tá ár dtáirgí inoiriúnaithe agus inoiriúnaithe chun aon leagan amach a chur in oiriúint.
Tá muid suite i gceantar forbartha teicneolaíochta ardteicneolaíochta Wuxi, agus tá muid i riocht go hidéalach chun freastal ar ár gcliaint le seachadadh tapa agus seirbhís eisceachtúil. Cinntíonn ár bhfoireann, atá feistithe le hardteicneolaíocht agus córas bainistíochta cáilíochta láidir, go gcomhlíonann gach táirge a tháirgimid na caighdeáin is airde maidir le marthanacht agus feidhmíocht.
De réir mar a fhásann na héilimh loighistice, ní féidir an tábhacht a bhaineann le córais stórála éifeachtúla a shéanadh. Ag Wuxi Huiqian, táimid tiomanta do dhearaí raca stóras a chur chun cinn chun cabhrú le cuideachtaí táirgiúlacht oibríochtúil a fheabhsú. Tríd ár dtáirgí a roghnú, is féidir le gnólachtaí a gcumas stórála a bharrfheabhsú agus éifeachtúlacht níos mó a thiomáint ar fud a gcuid oibríochtaí.
Infheistiú i Wuxi Huiqian's Racaí seilfeanna stóras níos mó ná réiteach stórála amháin; Is infheistíocht í i dtáirgiúlacht fhadtéarmach agus i rath do ghnó. Lig dúinn cabhrú leat do chuid oibríochtaí lóistíochta a shruthlíniú agus do ghnó a thabhairt go dtí an chéad leibhéal eile.
Ceardaíocht a thabhairt chun cinn sa todhchaí.
Uimh.60, Zhenhu Bóthar Thuaidh, Baile Hudai, Ceantar Binhu, Wuxi 214100, an tSín
+86 139-2153-1116
+86-510-8558 1519/8558 1530
+86-510-8558 1520







