Sorcóir tiomána sprocket as a chéile aonair
Cat:Sorcóir tiomána sprocket
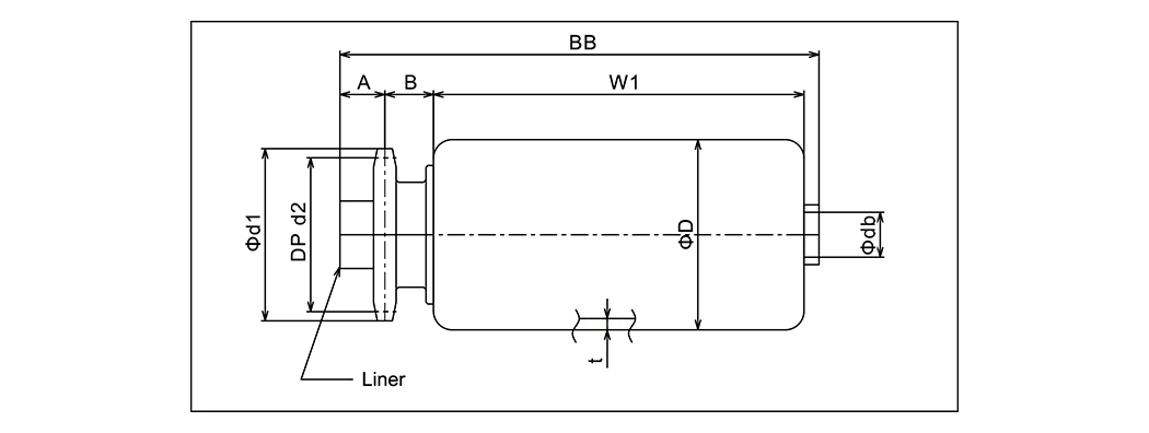
Tíopáil MéiD sorcóir Leithead sorcóir Ábhar sorcó...
Is cineál sorcóir idler é sorcóir tiomáinte a úsáidtear i gconairí sorcóir faoi thiomáint, atá feistithe go hiondúil le rothaí tiomána ar nós sprockets, ulóga il-dhromchlaí, ulóga uainiúcháin, ulóga V-chrios, nó rollóirí O-grooved. Tairgeann rollóirí tiomáinte le sprockets acmhainn ard ualach, le sprockets déanta de ghnáth as cruach agus ar fáil i sonraíochtaí éagsúla bunaithe ar riachtanais ualaigh. Tá rollóirí tiomáinte le ulóga ilphósta, ulóga uainiúcháin, agus ulóga V-chrios deartha le haghaidh córais atá tiomáinte ag crios agus tá cumais ualaigh níos éadroime acu. Úsáidtear rollóirí O-grooved freisin le haghaidh iompróirí sorcóir dualgas éadrom, le cumais ualaigh níos ísle ná rollóirí atá tiomáinte ag crios.

Tíopáil MéiD sorcóir Leithead sorcóir Ábhar sorcó...
| Tíopáil | MéiD sorcóir | Leithead sorcóir | Ábhar sorcóir | Bearna | Trastomhas seafta | Méid líníochta | Céatadán | d | D2 | A | B | Thiar1 | Bb |
| KR-384010S | 38.1 × 2.3 | 100 ~ 800 | STKM | 6001ZZ · 6201Z | 12.0 | 18 × 12.2 × 26 | #40 × 10ts | 46 | 41.1 | 12 | 14 | Thiar-1 | Thiar 28 |
| KR-424010S | 42.7 × 2.3 | 100 ~ 800 | STKM | 6001ZZ · 6201Z | 12.0 | 18x12.2 × 26 | #40 × 10ts | 46 | 41.1 | 12 | 14 | Thiar | Thiar 28 |
| KR-484010S | 48.6 × 3.5 | 100 ~ 800 | SGP40A | 6001ZZ · 6201Z | 12.0 | 18 × 12.2 × 26 | #40 × 10ts | 46 | 41.1 | 12 | 11 | Thiar 5 | W 28 |
| KR-504010S | 50.8 × 1.6 | 100 ~ 800 | STKM | 6001ZZ · 6201Z | 12.0 | 18 × 12.2 × 26 | #40 × 10ts | 46 | 41.1 | 12 | 13 | W-1 | W 28 |
| KR-574010S | 57.1 × 2.1 | 100 ~ 1000 | STKM | 6001ZZ · 6201Z | 12.0 | 18 × 12.2 × 26 | #40 × 10ts | 46 | 41.1 | 12 | 13 | W | W 28 |
| KR-604010S | 60.5 × 2.3 | 100 ~ 1000 | STKM | 6001ZZ · 6201Z | 12.0 | 18 × 12.2 × 26 | #40 × 10ts | 46 | 41.1 | 12 | 13 | W | W 28 |
| KR-605011S | 60.5 × 3. | 100 ~ 1000 | SGP50A | 6002ZZ | 15.0 | 21 × 15.2 × 41.5 · 21 × 15.2 × 12 | #50 × 11TS | 63 | 56.35 | 20 | 18 | W 3 | W 48 |
| KR-765011S | 76.3 × 4.2 | 100 ~ 1000 | SGP65A | 6002ZZ | 15.0 | 21 × 15.2 × 41.5 · 21 × 152 × 12 | #50 × 11TS | 63 | 56.35 | 20 | 18 | W 2 | W 48 |
| KR-605013S | 60.5 × 3.8 | 100 ~ 1000 | SGP50A | 6004zz | 20.0 | 29 × 20.2 × 38.5 · 29 × 20.2 × 15 | #50 × 13TS | 73 | 66.34 | 20 | 18 | W 1 | W 48 |
| KR-765013S | 76.3 × 4.2 | 100 ~ 1000 | SGP65A | 6004zz | 20.0 | 29x20.2x38.5 · 29 × 20.2 × 15 | #50 × 13TS | 73 | 66.34 | 20 | 18 | W 2 | W 48 |
| KR-895013S | 89.1 × 4.2 | 100 ~ 1000 | SGP80A | 6004zz | 20.0 | 29 × 20.2x38.5 · 29 × 202x15 | #50 × 13TS | 73 | 66.34 | 20 | 18 | W | W 48 |
| KR-1146014S | 114.3 × 4.5 | 300 ~ 2000 | SGP100A | 6205ZZ | 25.0 | 35 × 26 × 19 · 35 × 26 × 21 | #60 × 14TS | 93 | 85.61 | 20 | 23 | W | W 58 |
| KR-1406016S | 139.8 × 4.5 | 300 ~ 2000 | SGP125A | 6206ZZ | 30.0 | 38 × 31.1 × 19 · 38 × 31.1 × 21 | #60 × 16TS | 107 | 97.65 | 20 | 23 | W | W 58 |

Tíopáil Méid sorcóir Leithead sorcóir Ábhar sorcó...
| Tíopáil | Méid sorcóir | Leithead sorcóir | Ábhar sorcóir | Bearna | Trastomhas seafta | Méid líníochta | Céatadán | D1 | D2 | A | B | C | Thiar1 | Bb |
| KR-384010SThiar | 38.1 × 2.3 | 100 ~ 800 | STKM | 6001ZZ · 6201Z | 12.0 | 18 × 12.2 × 53 | #40 × 10TSThiar | 46 | 41.1 | 12 | 23 | 18 | Thiar-1 | W 58 |
| KR-424010SW | 42.7 × 2.3 | 100 ~ 800 | STKM | 6001ZZ · 6201Z | 12.0 | 18 × 12.2 × 53 | #40 × 10TSW | 46 | 41.1 | 12 | 23 | 18 | W | W 58 |
| KR-484010SW | 48.6 × 3.5 | 100 ~ 800 | SGP40A | 6001ZZ · 6201Z | 12.0 | 18 × 12.2 × 53 | #40 × 10TSW | 46 | 41.1 | 12 | 23 | 15 | W 5 | W 58 |
| KR-504010SW | 50.8 × 1.6 | 100 ~ 800 | STKM | 6001ZZ · 6201Z | 12.0 | 18 × 12.2 × 53 | #40x10tsw | 46 | 41.1 | 12 | 23 | 18 | W-1 | W 58 |
| KR-574010SW | 57.1 × 2.1 | 100 ~ 1000 | STKM | 6001ZZ · 6201Z | 12.0 | 18 × 12.2 × 53 | #40 × 10TSW | 46 | 41.1 | 12 | 23 | 18 | W | W 58 |
| KR-604010SW | 60.5 × 2.3 | 100 ~ 1000 | STKM | 6001ZZ · 6201Z | 12.0 | 18 × 12.2 × 53 | #40 × 10TSW | 46 | 41.1 | 12 | 23 | 18 | W | W 58 |
| KR-605011SW | 60.5 × 3.8 | 100 ~ 1000 | SGP50A | 6002ZZ | 15.0 | 21x15.2 × 66.5 · 21 × 15.2x12 | #50 × 11tsw | 63 | 56.35 | 20 | 25 | 18 | W 3 | W 7333333 |
| KR-765011SW | 76.3 × 4.2 | 100 ~ 1000 | SGP65A | 6002ZZ | 15.0 | 21 × 15.2 × 66.5 · 21 × 15.2 × 12 | #50 × 11tsw | 63 | 56.35 | 20 | 25 | 18 | W 2 | W 73 |
| KR-605013SW | 60.5 × 3.8 | 100 ~ 1000 | SGP50A | 6004zz | 20.0 | 29 × 20.2 × 63.5 · 29 × 20.2 × 15 | #50 × 13tsw | 73 | 66.34 | 20 | 25 | 18 | W 1 | W 73 |
| KR-765013SW | 76.3 × 4.2 | 100 ~ 1000 | SGP65A | 600422 | 20.0 | 29 × 20.2 × 63.5 · 29 × 20.2x15 | #50 × 13tsw | 73 | 66.34 | 20 | 25 | 18 | W 2 | W 73 |
| KR-895013SW | 89.1 × 4.2 | 100 ~ 1000 | SGP80A | 6004zz | 20.0 | 29 × 20.2 × 63.5 · 29 × 20.2 × 15 | #50 × 13tsw | 73 | 66.34 | 20 | 25 | 18 | W | W 73 |

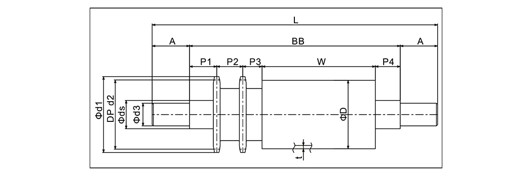
Tíopáil Méid sorcóir Sorcóir Atenal sorcóir ...
| Tíopáil | Méid sorcóir | Sorcóir | Atenal sorcóir | Bearn | Trastomhas seafta | Céatadán | D1 | D2 | D3 | A | L | Bb | P1 | P2 | P3 | P4 |
| KPR-574015SW | 57.2 × 2.6 | 300 ~ 2000 | STKM | UCPA204 | 25xw 152 | #40 × 15tsw | 67 | 61.08 | 20 | 33 | W 152 | W 86 | 24 | 23 | 17 | 22 |
| KPR-604015SW | 60.5 × 3.8 | 300 ~ 2000 | STKM | UCPA204 | 25xw 152 | #40 × 15tsw | 67 | 61.08 | 20 | 33 | W 152 | W 86 | 24 | 23 | 17 | 22 |
| KPR-765013SWSW | 76.3 × 4.2 | 300 ~ 2000 | SGP65A | UCPA204 | 25xw 163 | #50 × 13tsw | 73 | 66.34 | 20 | 33 | W 163 | W 97 | 32 | 25 | 18 | 22 |
| KPR-895013SW | 89.1 × 4.2 | 300 ~ 2000 | SGP80A | UCPA206 | 35xw 169 | #50 × 13tsw | 73 | 66.34 | 30 | 39 | W 169 | W 91 | 29 | 25 | 18 | 19 |
| KPR-1015018SWSW | 101.6 × 4.5 | 300 ~ 2000 | SGP90A | UCPA206 | 35xw 169 | #50 × 18TSW | 98 | 91.42 | 30 | 39 | W 169 | W 91 | 29 | 25 | 18 | 19 |
| KPR-1145018SWSW | 114.3 × 4.5 | 300 ~ 2000 | SGP100A | UCPA206 | 35xw 169 | #50 × 18TSW | 98 | 91.42 | 30 | 39 | W 169 | W 91 | 29 | 25 | 18 | 19 |
| KPR-1405018SWSW | 139.8 × 4.5 | 300 ~ 2000 | SGP125A | UCPA206 | 35xw 169 | #50 × 18TSW | 98 | 91.42 | 30 | 39 | W 169 | W 91 | 29 | 25 | 18 | 19 |

Tíopáil Méid sorcóir Leithead sorcóir Ábhar sorcó...
| Tíopáil | Méid sorcóir | Leithead sorcóir | Ábhar sorcóir | Bearna | Trastomhas seafta | Méid líníochta | Céatadán | |||||
| MAC-CN384010S | 38.1 × 2.3 | 100 ~ 800 | STKM | 6001ZZ · 6201Z | 12.0 | 18 × 12.2 × 17 | #40 × 10ts | |||||
| MAC-CN424010S | 42.7 × 2.3 | 100 ~ 1000 | STKM | 6001ZZ · 6201Z | 12.0 | 18x12.2 × 17 | #40 × 10ts | |||||
| MAC-CN484010S | 48.6 × 3.5 | 100 ~ 1000 | SGP40A | 60012Z · 6201Z | 12.0 | 18 × 12.2 × 17 | #40 × 10ts | |||||
| MAC-CN504010S | 50.8 × 1.6 | 100 ~ 1000 | STKM | 6001ZZ · 6201Z | 12.0 | 18 × 12.2 × 17 | #40 × 10ts | |||||
| MAC-CN574010S | 57.1 × 2.1 | 100 ~ 1000 | STKM | 6001ZZ · 6201Z | 12.0 | 18 × 12.2 × 17 | #40 × 10ts | |||||
| MAC-CN604010S | 60.5 × 2.3 | 100 ~ 1000 | STKM | 6001ZZ · 6201Z | 12.0 | 18 × 12.2 × 17 | #40 × 10ts | |||||
| Tíopáil | Méid sorcóir | Leithead sorcóir | Ábhar sorcóir | Bearna | Trastomhas seafta | Céatadán | ||||||
| MAC-CS384010S | 38.1 × 2.3 | 100 ~ 800 | STKM | 6001ZZ · 6201Z | 12.0 | #40 × 10ts | ||||||
| MAC-CS424010S | 42.7 × 2.3 | 100 ~ 1000 | STKM | 6001ZZ · 6201Z | 12.0 | #40 × 10ts | ||||||
| MAC-CS484010S | 48.6 × 3.5 | 100 ~ 1000 | SGP40A | 6001ZZ · 6201Z | 12.0 | #40 × 10ts | ||||||
| MAC-CS504010S | 50.8 × 1.6 | 100 ~ 1000 | STKM | 6001ZZ · 6201Z | 12.0 | #40 × 10ts | ||||||
| MAC-CS574010S | 57.1 × 2.1 | 100 ~ 1000 | STKM | 6001ZZ · 6201Z | 12.0 | #40 × 10ts | ||||||
| MAC-CS604010S | 60.5 × 2.3 | 100 ~ 1000 | STKM | 6001ZZ · 6201Z | 12.0 | #40 × 10TS | ||||||

Tíopáil Méid sorcóir Leithead sorcóir Ábhar sorcó...
| Tíopáil | Méid sorcóir | Leithead sorcóir | Ábhar sorcóir | Bearna | Trastomhas seafta | Méid líníochta | Céatadán |
| MAC-CN384010SW | 38.1 × 2.3 | 100 ~ 800 | STKM | 6001Z · 6201Z | 12.0 | 18 × 12.2 × 17 | #40 × 10ts |
| MAC-CN424010SW | 42.7 × 2.3 | 100 ~ 1000 | STKM | 6001ZZ · 6201Z | 12.0 | 18 × 12.2 × 17 | #40 × 10ts |
| MAC-CN484010SW | 48.6 × 3.5 | 100 ~ 1000 | SGP40A | 6001ZZ · 6201Z | 12.0 | 18 × 12.2 × 17 | #40 × 10ts |
| MAC-CN504010SW | 50.8 × 1.6 | 100 ~ 1000 | STKM | 6001Z · 6201Z | 12.0 | 18 × 12.2 × 17 | #40 × 10ts |
| MAC-CN574010SW | 57.1 × 2.1 | 100 ~ 1000 | STKM | 6001ZZ · 6201Z | 12.0 | 18 × 12.2 × 17 | #40 × 10ts |
| MAC-CN604010SW | 60.5 × 2.3 | 100 ~ 1000 | STKM | 6001ZZ · 6201Z | 12.0 | 18 × 12.2 × 17 | #40 × 10TS |

Tíopáil Méid sorcóir Leithead sorcóir Ábhar sorcó...
| Tíopáil | Méid sorcóir | Leithead sorcóir | Ábhar sorcóir | Bearna | Trastomhas seafta | Méid líníochta | Céatadán | D1 | D2 |
| MAC-CN605010SW | 60.5 × 2.3 | 100 ~ 1000 | STKM | 6002Z7 · 61902Z | 15.0 | 20 × 15.2 × 16 | #50 × 10TS | 57.43 | 51.37 |
| MAC-CN765013SW | 76.3 × 2.0 | 100 ~ 1000 | STKM | 6204ZZ · 61904Z | 20.0 | 25 × 20.2 × 22 | #50 × 13TS | 73 | 66.34 |

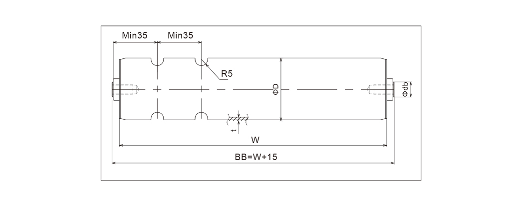
R lár 1000 Fad iomlán Leithead sorcóir ...
| R lár | 1000 | Fad iomlán | Leithead sorcóir | Leathan an iompair | Cosán caol | Trastomhas mór | Luchtú sorcóir | Meáchan sorcóir | |||
| Céatadán | #40 × 10TSW | (∅) | Tiús | (∅) | Tiús | ||||||
| W Leithead sorcóir | 200 ~ 600 | 258 | 200 | 260 | 51.5 | 3.0 | 62.5 | 2.6 | 1842 | 1236 | |
| Ábhar sorcóir | STKM | 358 | 300 | 360 | 48.8 | 3.0 | 65.2 | 2.6 | 1215 | 1643 | |
| Comain | 6001ZZ · 6201Z | 458 | 400 | 460 | 46.0 | 3.1 | 68.0 | 2.6 | 911 | 2050 | |
| trastomhas seafta db | 12.0 | 558 | 500 | 560 | 43.3 | 3.2 | 70.7 | 2.4 | 725 | 2456 | |
| DC × DC × LC/Méid Liner | 18 × 12.2 × 53 · 18 × 12.2 × 7 | 658 | 600 | 660 | 41.3 | 3.3 | 74.0 | 2.3 | 597 | 2863 | |
| R lár | 1200 | Fad iomlán | Leithead sorcóir | Leathan an iompair | Cosán caol | Trastomhas mór | Luchtú sorcóir | Meáchan sorcóir | |||
| Céatadán | #40 × 10TSW | (∅) | Tiús | (∅) | Tiús | ||||||
| W Leithead sorcóir | 200 ~ 600 | 258 | 200 | 260 | 52.1 | 2.9 | 61.9 | 2.5 | 1842 | 1.132 | |
| Ábhar sorcóir | STKM | 358 | 300 | 360 | 49.7 | 3.0 | 64.3 | 2.4 | 1215 | 1487 | |
| Comain | 6001ZZ · 6201Z | 458 | 400 | 460 | 47.3 | 3.1 | 65.7 | 2.4 | 911 | 1842 | |
| trastomhas seafta db | 12.0 | 558 | 500 | 560 | 45.0 | 3.2 | 69.2 | 2.8 | 725 | 2197 | |
| DC × DC × LC/Méid Liner | 18 × 12.2 × 53 · 18 × 12.2 × 7 | 658 | 600 | 660 | 45.0 | 3.2 | 74.0 | 2 | 597 | 2552 | |
| R lár | 1500 | Fad iomlán | Leithead sorcóir | Leathan an iompair | Cosán caol | Trastomhas mór | Luchtú sorcóir | Meáchan sorcóir | |||
| Céatadán | #40 × 10TSW | (∅) | Tiús | (∅) | Tiús | ||||||
| W Leithead sorcóir | 200 ~ 600 | 258 | 200 | 260 | 52.6 | 2.7 | 61.4 | 2.8 | 1842 | 1233 | |
| Ábhar sorcóir | STKM | 358 | 300 | 360 | 50.4 | 2.9 | 63.6 | 2.7 | 1215 | 1645 | |
| Comain | 6001ZZ · 6201Z | 458 | 400 | 460 | 48.0 | 3.1 | 65.4 | 2.4 | 911 | 2046 | |
| trastomhas seafta db | 12.0 | 558 | 500 | 560 | 48.0 | 3.4 | 69.8 | 2.4 | 725 | 2452 | |
| DC × DC × LC/Méid Liner | 18 × 12.2 × 53 · 18 × 12.2 × 7 | 658 | 600 | 660 | 48.0 | 3.1 | 74.0 | 2.1 | 597 | 2.86 | |
| R lár | 2000 | Fad iomlán | Leithead sorcóir | Wde an iompair | Cosán caol | Trastomhas mór | Luchtú sorcóir | Meáchan sorcóir | |||
| Céatadán | #40 × 10TSW | (∅) | Tiús | (∅) | Tiús | ||||||
| W Leithead sorcóir | 400 ~ 800 | 458 | 400 | 460 | 50.0 | 3.0 | 62.5 | 2.3 | 911 | 1990 | |
| Ábhar sorcóir | STKM | 558 | 500 | 560 | 50.0 | 3.0 | 65.6 | 2.2 | 725 | 2398 | |
| Comain | 6001ZZ · 6201Z | 658 | 600 | 660 | 50.0 | 3.0 | 68.8 | 2.2 | 597 | 2797 | |
| trastomhas seafta db | 12.0 | 758 | 700 | 760 | 50.0 | 3.0 | 71.9 | 2.1 | 519 | 3210 | |
| DC × DC × LC/Méid Liner | 18 × 12.2 × 53 · 18 × 12.2 × 7 | 858 | 800 | 860 | 50.0 | 3.0 | 75.0 | 2.0 | 450 | 3620 | |

R lár 500 Fad iomlán Leithead sorcóir ...
| R lár | 500 | Fad iomlán | Leithead sorcóir | Leathan an iompair | Cosán caol | Trastomhas mór | |
| Céatadán | #40 × 10TSW | (∅) | (∅) | ||||
| W Leithead sorcóir | 300 ~ 700 | 328 | 300 | 330 | 42.7 | 60 | |
| Ábhar sorcóir | STKM | 428 | 400 | 430 | 42.7 | 65 | |
| Comain | 6001ZZ · 6201Z | 528 | 500 | 530 | 42.7 | 75 | |
| trastomhas seafta db | 12.0 | 628 | 600 | 630 | 42.7 | 80 | |
| DC × DC × LC/Méid Liner | 18 × 12.2 × 27 · 18 × 12.2 × 7 | 728 | 700 | 730 | 42.7 | 89 |
| R lár | 900 | Fad iomlán | Leithead sorcóir | Leathan an iompair | Cosán caol | Trastomhas mór | |
| Céatadán | #40 × 10TSW | (∅) | (∅) | ||||
| W Leithead sorcóir | 300 ~ 700 | 328 | 300 | 330 | 42.7 | 56 | |
| Ábhar sorcóir | STKM | 428 | 400 | 430 | 42.7 | 60 | |
| Comain | 6001ZZ · 6201Z | 528 | 500 | 530 | 42.7 | 65 | |
| trastomhas seafta db | 12.0 | 628 | 600 | 630 | 42.7 | 70 | |
| DC × DC × LC/Méid Liner | 18 × 12.2 × 27 · 18 × 12.2 × 7 | 728 | 700 | 730 | 42.7 | 75 |
| R lár | 900 | Fad iomlán | Leithead sorcóir | leathan an iompair | Cosán caol | Trastomhas mór | |
| Céatadán | #40 × 10TSW | (∅) | (∅) | ||||
| W Leithead sorcóir | 800 ~ 1000 | 828 | 800 | 830 | 42.7 | 65 | |
| Ábhar sorcóir | STKM | 928 | 900 | 930 | 42.7 | 70 | |
| Comain | 6001ZZ · 6201Z | 1028 | 1000 | 1030 | 42.7 | 75 | |
| trastomhas seafta db | 12.0 | ||||||
| DC × DC × LC/Méid Liner | 18 × 12.2 × 27 · 18 × 12.2 × 7 |

Tíopáil Méid sorcóir Leithead sorcóir Ábhar sorcó...
| Tíopáil | Méid sorcóir | Leithead sorcóir | Ábhar sorcóir | Bearna | Trastomhas seafta | Ulóg Polyvee |
| DQR-3812 | 38.1 × 12 | 100 ~ 1000 | STKM | 6001ZZ | 12.0 | C235 |
| DQRS-3815 | 38.1 × 1.5 | 100 ~ 1000 | SUS304/201 | 6001ZZ | 12.0 | C235/SUS |
| DQR-5015 | 50.8 × 1.5 | 100 ~ 1000 | STKM | 6002ZZ | 12.0 | Roisín |
| DQRS-5015 | 50 × 1.5 | 100 ~ 1000 | SUS304/201 | 6002ZZ | 12.0 | Roisín |
| DQR-5721 | 57.2 × 2.1 | 100 ~ 1000 | STKM | 6001ZZ | 12.0 | C235 |
| DQR-6023 | 60.5 × 2.3 | 100 ~ 1000 | STKM | 6002ZZ | 12.0 | C235 |
| DQRS-6020 | 60 × 2.0 | 100 ~ 1000 | SUS304/201 | 6002ZZ | 12.0 | C235/SUS/roisín |
| DQR-7620 | 76.3 × 2.0 | 100 ~ 1000 | STKM | 6001ZZ | 12.0 | C235 |
| DQRS-7620 | 76 × 2.0 | 100 ~ 1000 | SUS304/201 | 6001ZZ | 12.0 | C235/SUS |

Tíopáil Méid sorcóir Leithead sorcóir Ábhar sorcó...
| Tíopáil | Méid sorcóir | Leithead sorcóir | Ábhar sorcóir | Bearna | Trastomhas seafta | Vnbbed Pully |
| VR-3812 | 38.1 × 1.2 | 100 ~ 1000 | STKM | 6001ZZ | 12.0 | C235 |
| VRS-3815 | 38 × 1.5 | 100 ~ 1000 | SUS304/201 | 6001ZZ | 12.0 | C235/SUS |
| VR-5015 | 50.8 × 1.5 | 100 ~ 1000 | STKM | 6001ZZ | 12.0 | C235 |
| VRS-5015 | 50 × 1.5 | 100 ~ 1000 | SUS304/201 | 6001ZZ | 12.0 | C235/SUS |
| VR-5721 | 57.2 × 2.1 | 100 ~ 1000 | STKM | 6001ZZ | 12.0 | C235 |
| VR-6023 | 60.5 × 2.3 | 100 ~ 1000 | STKM | 6001ZZ | 12.0 | C235 |
| VRS-6020 | 60 × 2.0 | 100 ~ 1000 | SUS304/201 | 6001ZZ | 12.0 | C235/SUS |
| VR-7620 | 76.3 × 2.0 | 100 ~ 1000 | STKM | 6001ZZ | 12.0 | C235 |
| VRS-7620 | 76 × 2.0 | 100 ~ 1000 | SUS304/201 | 6001ZZ | 12.0 | C235/SUS |

Tíopáil Méid sorcóir Leithead sorcóir Ábhar sorcó...
| Tíopáil | Méid sorcóir | Leithead sorcóir | Ábhar sorcóir | Trastomhas seafta | Bearna |
| Nó-3812 | 38.1 × 1.2 | 100 ~ 1000 | STKM | 12.0 | Ss |
| ORS-3815 | 38.1 × 1.5 | 100 ~ 1000 | SUS304/201 | 12.0 | Ss/SUS |
| Nó-4214 | 42.7 × 1.4 | 100 ~ 1000 | STKM | 12.0 | Ss |
| Nó-5015 | 50.8 × 1.5 | 100 ~ 1000 | STKM | 12.0 | Ss |
| ORS-5015 | 50 × 1.5 | 100 ~ 1000 | SUS304/201 | 12.0 | Ss/roisín |
| Nó 5721 | 57.2 × 2.1 | 100 ~ 1000 | STKM | 12.0 | Ss |
| Nó-6023 | 60.5 × 2.3 | 100 ~ 1000 | STKM | 12.0 | SS |
| ORS-6020 | 60 × 2.0 | 100 ~ 1000 | SUS304/201 | 12.0 | SS/resin |
Cén fáth a mbíonn Tionchar Díreach ag Cothabháil Iompar Roller ar Shaolré an Chórais ...
Léigh TuilleadhCad a Dhéanann Iompróir Sorcóir Dleacht Trom I ndáiríre? Sainmhínítear iompair sorc...
Léigh TuilleadhCad is Iompróirí Rollóra ann agus Cén Fáth a Bhfuil Tábhacht ag an gCineál? Iom...
Léigh TuilleadhCén fáth go bhfanann Iompróirí Sorcóir mar Chnámh droma Láimhseáil Ábhar Iompró...
Léigh TuilleadhCórais iompair na milliúin tonna d’ábhar a bhogadh gach lá trasna monarchana, tr...
Léigh TuilleadhSracfhéachaint ar na Príomhchineálacha Córais Conveyor Belt Iompar crios t...
Léigh TuilleadhBuntáistí Táirge Wuxi Huiqian Sorcóir tiomáinte : Ard-marthanacht agus cumas ualach-ualach
Seasann Wuxi Huiqian Logistics Innealra déantúsaíochta Co. Déanann an chuideachta speisialtóireacht ar raon leathan trealaimh loighistice ardchaighdeáin a tháirgeadh, lena n-áirítear sorcóir tiomáinte , iompróirí sorcóir, agus comhpháirteanna criticiúla éagsúla eile. Le cruinneas, iontaofacht agus feidhmíocht, tá rollóirí tiomáinte Wuxi Huiqian deartha chun freastal ar riachtanais éagsúla na dtionscal a bhíonn ag brath ar chórais láimhseála ábhair éifeachtúla agus iontaofa.
Tá ról ríthábhachtach ag rollóirí tiomáinte i go leor próiseas loighistice agus monaraíochta. Cibé acu chun míreanna móra, troma nó pacáistí beaga a bhogadh, tá na rollóirí seo mar chuid lárnach de chórais uathoibrithe a shruthlíonn sreafaí oibre agus a mhéadaíonn éifeachtúlacht. Déantar innealtóireacht ar rollóirí tiomáinte Wuxi Huiqian, lena n -áirítear rollóirí tiomána sprocket agus rollóirí tiomána barrchaolaithe, le haghaidh marthanacht agus feidhmíochta is fearr i dtimpeallachtaí oibriúcháin éagsúla. Mar gheall ar an meascán d'ábhair ard, teicneolaíocht cheannródaíoch, agus dearaí saincheaptha, is rogha is fearr iad na rollóirí seo do thionscail ar fud na cruinne.
Wuxi Huiqian sorcóir tiomáinte tá sé deartha chun ualaí troma agus úsáid leanúnach a sheasamh i dtimpeallachtaí éilitheacha. Tógtar na rollóirí ag baint úsáide as ábhair ard-neart amhail cruach agus cruach dhosmálta, a chinntíonn feidhmíocht fhadtéarmach fiú faoi choinníollacha diana. Ráthaíonn stóinseacht na n -ábhar seo gur féidir leis na rollóirí cumais éagsúla ualaigh a láimhseáil, ó chomhpháirteanna tionsclaíocha éadroma go codanna innealra troma, gan cur isteach ar a sláine struchtúrach.
Tá na rollóirí tiomána sprocket, go háirithe, tógtha le cruach ardcháilíochta, ardcháilíochta chun a chinntiú gur féidir leo an chasmhóimint a theastaíonn chun córais iompair a thiomáint in iarratais éilitheacha. Ar an gcaoi chéanna, léiríonn na rollóirí tiomána barrchaolaithe, atá deartha le huillinn chun oibriú réidh a éascú, neart agus cobhsaíocht ard faoi choinníollacha ualach trom. Laghdaíonn an rogha ábhair ardleibhéil caitheamh agus cuimilt, rud a chuireann le cumas na rollóirí feidhmiú thar shaolré sínte.
Ceann de na príomhbhuntáistí a bhaineann le rollóirí tiomáinte Wuxi Huiqian ná a solúbthacht agus a n -inoiriúnaitheacht chun riachtanais shonracha na gcustaiméirí a chomhlíonadh. Le foireann láidir T&F ag an Helm, is féidir leis an gcuideachta réitigh saincheaptha a fhorbairt a thagann le riachtanais oibríochtúla uathúla. Is féidir rollóirí tiomáinte a chur in oiriúint i dtéarmaí méide, ábhair, agus feidhmiúlacht a oireann do raon leathan feidhmeanna. Cibé an bhfuil an trastomhas sorcóir, fad, nó ag cur bratuithe speisialaithe leis, oibríonn Wuxi Huiqian go dlúth le custaiméirí chun a chinntiú go bhfuil an táirge ag teacht leis na sonraíochtaí beachta.
Mar gheall ar an gcumas chun réitigh oiriúnaithe a sholáthar, tá na rollóirí tiomána seo oiriúnach do thionscail éagsúla, lena n-áirítear déantúsaíocht na ngluaisteán, táirgeadh bia agus dí, trádstóráil, loighistic, agus ríomhthráchtáil. Is féidir na rollóirí a oiriúnú chun cineálacha éagsúla córas iompair agus línte táirgthe a chur in oiriúint, rud a fhágann gur comhpháirt ildánach iad in aon oibríocht láimhseála ábhartha.
Tá cáil ar Wuxi Huiqian as a ardchaighdeáin innealtóireachta beachtais, rud atá ríthábhachtach chun feidhmíocht iontaofa rollóirí tiomáinte a chinntiú. Úsáideann an chuideachta meaisíní CNC (Rialú Uimhriúil Ríomhaireachta) chun a rollóirí tiomáinte a mhonarú le cruinneas eisceachtúil. Ráthaíonn an cruinneas seo go dtáirgtear na rollóirí de réir na sonraíochtaí beachta a theastaíonn le haghaidh gach iarratais uathúla, ag íoslaghdú na seansanna mífheidhm nó neamhéifeachtúlachta.
Cinntíonn úsáid innealra CNC freisin go ndéantar na rollóirí go comhsheasmhach i méideanna móra, rud a fhágann gur féidir caighdeáin ard táirgthe a choinneáil agus an baol lochtanna a laghdú. Síneann an cruinneas freisin le dearadh sprockets agus gnéithe barrchaolaithe, ag cinntiú go bhfeidhmíonn na comhpháirteanna criticiúla seo go réidh agus go réidh sa tionól deiridh.
Tá rollóirí tiomáinte Wuxi Huiqian deartha chun éifeachtúlacht oibríochtúil ard a sholáthar agus íos -chothabháil ag teastáil uathu. Déantar innealtóireacht ar na rollóirí chun cuimilte agus caitheamh a laghdú, rud a laghdaíonn minicíocht na dtascanna cothabhála agus a leathnaíonn saol seirbhíse an trealaimh. Tá an ghné seo thar a bheith tábhachtach i dtionscail ina bhfuil gá le hoibriú leanúnach agus caithfear neamhfhónamh a íoslaghdú.
Tá na rollóirí tiomána sprocket deartha le fiacla idirnasctha a laghdaíonn an sciorradh agus a fheabhsaíonn aistriú na cumhachta, ag cinntiú go bhfeidhmíonn an córas iompair go héifeachtach fiú faoi choinníollacha ardualaigh. Ar an gcaoi chéanna, tá na rollóirí tiomána barrchaolaithe deartha chun an baol damáiste don chrios iompair nó don chomhpháirt máguaird a íoslaghdú, ag feabhsú iontaofacht fhoriomlán an chórais.
Laghdaíonn dearadh ísealchothabhála rollóirí tiomáinte Wuxi Huiqian costais oibríochtúla trí riachtanais chothabhála a ísliú agus an poitéinseal do neamhfhónaimh gan choinne. Ina theannta sin, cuireann an chuideachta córas seirbhíse iar-dhíolacháin cuimsitheach ar fáil, ag cinntiú go dtugtar aghaidh go pras ar aon saincheisteanna agus gur féidir le custaiméirí oibriú réidh a dtrealaimh a choinneáil.
Tá rollóirí tiomáinte ó Wuxi Huiqian deartha le bheith tíosach ar fhuinneamh, rud atá ríthábhachtach chun costais oibriúcháin na gcóras láimhseála ábhair a laghdú. Déantar na rollóirí a innealtóireacht chun ídiú fuinnimh a íoslaghdú agus an chumhacht is gá a choinneáil chun na córais iompair a thiomáint. Aistríonn an fócas seo ar éifeachtúlacht fuinnimh billí leictreachais níos ísle do ghnólachtaí, ag cur le coigilteas costais foriomlán agus le hinbhuanaitheacht chomhshaoil.
I ré ina bhfuil imní ar ghnólachtaí níos mó agus a dtionchar comhshaoil, cinntíonn dearadh atá tíosach ar fhuinneamh Wuxi Huiqian gur féidir le cuideachtaí oibriú go hinbhuanaithe gan feidhmíocht nó iontaofacht a íobairt.
Tá rollóirí tiomána sprocket ar cheann de na cineálacha rollóirí tiomáinte is coitianta i gcórais iompair. Tá na rollóirí seo deartha le go mbeidh siad á dtiomáint ag slabhra agus go bhfuil siad feistithe le sprockets a chomhcheanglaíonn leis an slabhra, ag cinntiú go bhfuil siad réidh agus iontaofa. Is iondúil gur cruach ardcháilíochta nó cruach dhosmálta é an t-ábhar a úsáidtear le haghaidh rollóirí tiomána sprocket, a roghnaítear as a neart, a mharthanacht, agus a chumas chun an chasmhóimint a ghineann an tiomáint slabhra a láimhseáil.
Tá na rollóirí tiomána sprocket ó Wuxi Huiqian deartha le lamháltais bheachta chun a chinntiú go n -oireann na sprockets go breá leis an slabhra, ag íoslaghdú sciorradh agus ag uasmhéadú tarchur cumhachta. Caitear leis na rollóirí freisin chun cur in aghaidh caitheamh agus creimeadh, ag cur lena n -fad saoil agus ag laghdú riachtanais chothabhála. Cinntíonn úsáid ábhar ard-neart gur féidir leis na rollóirí seo ualaí troma a láimhseáil, rud a chiallaíonn go bhfuil siad oiriúnach le haghaidh feidhmeanna tionsclaíocha i ndéantúsaíocht, i bpacáistiú agus i ndáileadh.
Is éard atá i gceist le rollóirí tiomána barrchaolaithe ná dearadh múnlaithe cón a cheadaíonn gluaiseacht réidh agus éifeachtach ábhar ar chóras iompair. Cinntíonn an taper go ndéantar na hábhair a threorú go réidh feadh an iompair, ag laghdú cuimilte agus ag feabhsú éifeachtúlacht fhoriomlán an chórais. Is iondúil gur cruach dhosmálta nó cruach chóimhiotail ard-neart é an t-ábhar a úsáidtear le haghaidh rollóirí tiomána barrchaolaithe, a sholáthraíonn friotaíocht den scoth le caitheamh agus creimeadh, rud a chiallaíonn go bhfuil sé oiriúnach do thimpeallachtaí éagsúla, lena n-áirítear próiseáil bia, cógaisíocht, agus úsáid throm tionsclaíoch.
Cuireann an dearadh barrchaolaithe freisin le cumas an tsorcóra méideanna agus meáchain ábhar éagsúla a láimhseáil, rud a fhágann go bhfuil na rollóirí seo an -inoiriúnaithe do raon feidhmeanna. Déantar beacht ar rollóirí tiomána barrchaolaithe Wuxi Huiqian chun a chinntiú go bhfuil an uillinn barrchaolaithe comhsheasmhach ar fud na rollóirí go léir, ag soláthar feidhmíocht aonfhoirmeach ar fud an chórais iompair ar fad.
Cinntíonn úsáid cruach dhosmálta agus cruach chóimhiotail i dtógáil rollóirí tiomáinte a marthanacht i dtimpeallachtaí crua nó creimneacha. Tá na hábhair seo an -fhrithsheasmhach in aghaidh meirge, creimthe, agus abrasion, rud a fhágann go bhfuil siad oiriúnach do thionscail ina bhfuil na rollóirí nochta do thaise, do cheimiceáin, nó do dhúshláin eile comhshaoil. Mar shampla, baineann an tionscal bia agus deochanna, áit a bhfuil sláinteachas mar thosaíocht, tairbhe as airíonna frithsheasmhacha creimthe rollóirí cruach dhosmálta.
Cabhraíonn airíonna atá frithsheasmhach in aghaidh creimthe na n-ábhar le sláine an chórais iompair a chothabháil le himeacht ama, le deisiúcháin costasacha a chosc agus le feidhmíocht chomhsheasmhach a chinntiú.
Cuireann Wuxi Huiqian Logistics Innealra déantúsaíochta Co., rollóirí tiomáinte Ltd, lena n -áirítear múnlaí tiomána sprocket agus samhlacha tiomána barrchaolaithe, buntáistí suntasacha ar fáil maidir le marthanacht, saincheapadh, innealtóireacht bheachtais, agus éifeachtúlacht. Trí úsáid a bhaint as ábhair ardchaighdeáin ar nós cruach agus cruach dhosmálta, soláthraíonn na rollóirí seo réitigh fhadtéarmacha, ísealchothabhála do thionscail ó dhéantúsaíocht na ngluaisteán go lóistíocht agus próiseáil bia. Mar gheall ar a gcumas chun ualaí troma a láimhseáil, ídiú fuinnimh a laghdú, agus oibriú go réidh i dtimpeallachtaí éilitheacha, is rogha iontaofa iad d'aon ghnó atá ag iarraidh a chórais láimhseála ábhair a bharrfheabhsú.
Ceardaíocht a thabhairt chun cinn sa todhchaí.
Uimh.60, Zhenhu Bóthar Thuaidh, Baile Hudai, Ceantar Binhu, Wuxi 214100, an tSín
+86 139-2153-1116
+86-510-8558 1519/8558 1530
+86-510-8558 1520







