W-3824NPS
Cat:Iompróir roth fráma galbhánaithe
Tíopáil D*w*d*b Seafta Méid an fhráma h*...
Ardstruchtúr, feidhmíocht ardcháilíochta, éasca le húsáid, iontaofacht ard agus marthanacht.

Tíopáil D*w*d*b Seafta Méid an fhráma h*...
| Tíopáil | D*w*d*b | Seafta | Méid an fhráma h*w1*w2*w3*t | Airde H | Ar fad L | Ruid P | Luchtú Roth Aonair (kg) | Cineál fráma | Sorcóir máithreachais |
| W-3824NPS | 38 × 24.5 × 3 | 3 × 42L | 32 × 44 × 1.0 | 45 | 1000 · 2000 · 3000 | 45 | 20 | Electro Galvanized | ABS3 |

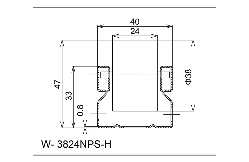
Tíopáil D*w*d*b Seafta Méid an fhráma h*...
| Tíopáil | D*w*d*b | Seafta | Méid an fhráma h*w1*w2*w3*t | Airde H | Ar fad L | Ruid P | Luchtú Roth Aonair (kg) | Cineál fráma | Sorcóir máithreachais |
| W-3824NPS-H | 38 × 24.5 × 3 | 3 × 38i | 32 × 44 × 0.8 (1.0) | 47 | 1000 · 2000 · 3000 | 45 | 25 | Electro Galvanized | ABS3 |

Tíopáil D*w*d*b Seafta Méid an fhráma h*...
| Tíopáil | D*w*d*b | Seafta | Méid an fhráma h*w1*w2*w3*t | Airde H | Ar fad L | Ruid P | Luchtú Roth Aonair (kg) | Cineál fráma | Sorcóir máithreachais |
| W-3825NPS | 38 × 25 × 3.8 | 3.8 × 40L | 33 × 44 × 1.0 | 44 | 1000 · 2000 · 3000 | 45 | 20 | Electro Galvanized | ABS PE |

Tíopáil D*w*d*b Seafta Méid an fhráma h*...
| Tíopáil | D*w*d*b | Seafta | Méid an fhráma h*w1*w2*w3*t | Airde H | Ar fad L | Ruid P | Luchtú Roth Aonair (kg) | Cineál fráma | Sorcóir máithreachais |
| W-45555NPS | 45 × 55 × 5 | 5 × 80L | 33 × 85 × 1.2 | 50 | 1000 · 2000 · 3000 | 50 | 60 | Electro Galvanized | PE |

Tíopáil D*w*d*b Seafta Méid an fhráma h*...
| Tíopáil | D*w*d*b | Seafta | Méid an fhráma h*w1*w2*w3*t | Airde H | Ar fad L | Ruid P | Luchtú Roth Aonair (kg) | Cineál fráma | Sorcóir máithreachais |
| W-4816ABS | 48 × 16 × 6 | 6 × 35L | 38 × 47 × 2.5 | 55 | 1000 · 2000 · 3000 | 45 · 50 · 75 · 100 | 10 | Electro Galvanized | Pacáiste Bearing ABS |

Tíopáil D*w*d*b Seafta Méid an fhráma h*...
| Tíopáil | D*w*d*b | Seafta | Méid an fhráma h*w1*w2*w3*t | Airde H | Ar fad L | Ruid P | Luchtú Roth Aonair (kg) | Cineál fráma | Sorcóir máithreachais |
| W-4838NPS | 48 × 38 × 10 | 10 × 60L | 42 × 49 × 2 | 55 | 1000 · 2000 · 3000 | 50 · 75 · 100 | 10 | Lúbadh pláta fuar rollta | Polyoxymethylene |

Tíopáil D*w*d*b Seafta Méid an fhráma h*...
| Tíopáil | D*w*d*b | Seafta | Méid an fhráma h*w1*w2*w3*t | Airde H | Ar fad L | Ruid P | Luchtú Roth Aonair (kg) | Cineál fráma | Sorcóir máithreachais |
| MMS-3310SS | 33 × 9 × 5 × 21.5 (25.5) | 3.5 × 38L | 33 × 40 × 0.8 | 44 | 1000 · 2000 · 3000 | 22.5 StaggeredType | 6 | Electro Galvanized | PE |

Tíopáil D*w*d*b Seafta Méid an fhráma h*...
| Tíopáil | D*w*d*b | Seafta | Méid an fhráma h*w1*w2*w3*t | Airde H | Ar fad L | Ruid P | Luchtú Roth Aonair (kg) | Cineál fráma | Sorcóir máithreachais |
| MMW-3310SS | 33 × 10 × 5 × 21.5 (68) | 5 × 82L | 33 × 85 × 1.2 | 46 | 1000 · 2000 · 3000 | 25 cineál tuislithe | 10 | Electro Galvanized | PE |

Tíopáil Méid sorcóir D*w*d*b Seafta Méid...
| Tíopáil | Méid sorcóir D*w*d*b | Seafta | Méid an fhráma HXWXT | Airde H | Leinteah L | Ruid P | Luchtú Roth Aonair (kg) | Ábhar sorcóir |
| W-13g | 13 × 14 × 2.5 | 2.5 × 26L | 22/14 × 30/70 | 16 · 24 | 1000 ~ 2000 | 15 · 30 · 45 | 4 | ABS3 |

Tíopáil Méid sorcóir D*w*d*b Seafta Méid...
| Tíopáil | Méid sorcóir D*w*d*b | Seafta | Méid an fhráma HXWXT | Airde H | Leinteah L | Ruid P | Luchtú Roth Aonair (kg) | Ábhar sorcóir |
| W-2820g | 28 × 20 × 3 | 3 × 33L | 25 × 35 | 38 | 1000 ~ 3000 | 30 · 45 · 60 | 10 | ABS3 |

Tíopáil Méid sorcóir D*w*d*b Seafta Méid...
| Tíopáil | Méid sorcóir D*w*d*b | Seafta | Méid an fhráma HXWXT | Airde H | Leinteah L | Ruid P | Luchtú Roth Aonair (kg) | Ábhar sorcóir |
| W-28g | 28 × 25 × 3 | 3 × 37L | 35 × 42 | 38.5 · 42.5 | 1000 ~ 3000 | 30 · 45 · 60 | 10 | ABS3 |

Tíopáil Méid sorcóir D*w*d*b Seafta Méid...
| Tíopáil | Méid sorcóir D*w*d*b | Seafta | Méid an fhráma HXWXT | Airde H | Leinteah L | Ruid P | Luchtú Roth Aonair (kg) | Ábhar sorcóir |
| W-30g | 30 × 44 × 3.4 | 3.4 × 55L | 35 × 60 | 42 | 1000 ~ 3000 | 36 | 10 | ABS3 |
Cén fáth a mbíonn Tionchar Díreach ag Cothabháil Iompar Roller ar Shaolré an Chórais ...
Léigh TuilleadhCad a Dhéanann Iompróir Sorcóir Dleacht Trom I ndáiríre? Sainmhínítear iompair sorc...
Léigh TuilleadhCad is Iompróirí Rollóra ann agus Cén Fáth a Bhfuil Tábhacht ag an gCineál? Iom...
Léigh TuilleadhCén fáth go bhfanann Iompróirí Sorcóir mar Chnámh droma Láimhseáil Ábhar Iompró...
Léigh TuilleadhCórais iompair na milliúin tonna d’ábhar a bhogadh gach lá trasna monarchana, tr...
Léigh TuilleadhSracfhéachaint ar na Príomhchineálacha Córais Conveyor Belt Iompar crios t...
Léigh TuilleadhAn ndéanann Wuxi Huiqian Innealra Logistics Manufacturing Co., Ltd. iompróir an phailléid Tacaigh le ilbhealaí chun cineálacha éagsúla pailléid a láimhseáil ag an am céanna?
I ndomhan tapa loighistice agus láimhseála ábhair, tá éifeachtúlacht agus inoiriúnaitheacht fíorthábhachtach. Éilíonn gnólachtaí córais ní hamháin go gcomhlíonann siad a gcuid riachtanas láithreach ach a thairgeann inscálaitheacht, iontaofacht, agus an tsolúbthacht chun cineálacha éagsúla earraí agus éilimh oibriúcháin a láimhseáil. Réiteach amháin den sórt sin is ea Wuxi Huiqian Logistics Innealra déantúsaíochta Co. Ach tá an cheist fós ann: an féidir lena n -iompróirí pailléid tacú le bealaí éagsúla chun cineálacha éagsúla pailléid a láimhseáil ag an am céanna?
Solúbthacht i ndearadh: croílár na loighistice éifeachtúla
I gcroílár lineup táirge Wuxi Huiqian iompróir an phailléid Córas, réiteach a ndearnadh innealtóireacht mheabhrach air a sheasann mar theist ar thiomantas na cuideachta do theicneolaíocht na Seapáine a chumasc le teicnící déantúsaíochta ceannródaíocha. Tógtar na córais seo chun inoiriúnaitheacht thar cuimse a thairiscint i dtimpeallachtaí ardéilimh. Cibé an bhfuil sé ina iarratas tromshaothair nó ina thus níos íogaire, níos éadroime, is féidir an córas a oiriúnú chun pailléid de mhéideanna, de mheáchain agus de chineálacha éagsúla a láimhseáil.
Fíor -neart Wuxi Huiqian's líne tionóil iompair Tá córais ina gcumas oibriú le bealaí éagsúla, ag cinntiú gur féidir cineálacha éagsúla pailléid a bhainistiú i gcomhthráth. Tá an fheidhmiúlacht il-chainéil seo riachtanach do stórais, do shaoráidí déantúsaíochta, agus do ionaid dáilte ina mbíonn gá le hoibríochtaí a iompar go comhuaineach de chineálacha éagsúla pailléid. Cibé acu a dhéileálann le míreanna móra, toirtiúla nó earraí níos lú, níos leochailí, is féidir na córais iompair a chur in oiriúint chun na riachtanais uathúla seo a chomhlíonadh le héifeachtúlacht eisceachtúil.
Comhlíonann saincheapadh cruinneas
Tá Wuxi Huiqian an -bhródúil as réitigh iompair an -saincheaptha a thairiscint. Cinntíonn a bhfócas ar dhearadh modúlach gur féidir a gcórais a chumrú chun freastal ar riachtanais oibríochtúla ar leith, lena n -áirítear láimhseáil chomhuaineach na gcineálacha pailléid éagsúla i lánaí éagsúla. Tá sé seo thar a bheith tairbheach i dtionscail ar nós déantúsaíocht na ngluaisteán, leictreonaic, agus dáileadh bia, áit ar féidir le héagsúlachtaí i dtoisí pailléid agus i gcineálacha táirgí dúshláin chasta loighistice a chruthú.
Ina theannta sin, cuirtear béim ar thiomantas Wuxi Huiqian maidir le cáilíocht trí úsáid a bhaint as trealamh próiseála úrscothach agus córais dhiana bhainistíochta cáilíochta. Tá gach comhpháirt, ó rollóirí go frámaí, crafáilte go dtí na caighdeáin is airde, ag cinntiú ní hamháin feidhmiúlacht ach marthanacht fhadtéarmach. Nuair a dhéantar iad a chomhtháthú le do chuid oibríochtaí, soláthraíonn na córais iompair sreabhadh ábhar gan uaim, rud a chuireann deireadh le scrogaill agus éifeachtúlacht tréchuir a fheabhsú.
Ardteicneolaíocht do réitigh atá réidh sa todhchaí
Mar cheannaire san earnáil déantúsaíochta innealra loighistice, déanann Wuxi Huiqian nuálaíocht leanúnach, ag cinntiú go bhfuil a gcórais iompair ní hamháin iontaofa inniu ach go bhfuil siad réidh le dul in oiriúint d'éilimh slabhraí soláthair an lae amárach. Cuireann úsáid ardteicneolaíochtaí ar nós uathoibriú agus rianú fíor-ama feabhas breise ar fheidhmíocht a n-iompróirí pailléid, rud a chuireann ar chumas gnólachtaí monatóireacht agus rialú a dhéanamh ar a sreabhadh ábhair le cruinneas biorán.
I gcás cuideachtaí atá ag iarraidh a gcuid oibríochtaí a chruthú amach anseo, tá buntáiste fíorluachmhar ag réitigh Wuxi Huiqian. Is féidir a gcórais a chomhtháthú go héasca le teicneolaíochtaí uathoibrithe eile, ag tairiscint inscálaitheachta agus inoiriúnaitheachta a chinntíonn éifeachtúlacht leanúnach fiú de réir mar a thagann éilimh loighistice chun cinn.
Tacaíocht iar-dhíolacháin agus cur chuige atá dírithe ar an gcustaiméir
Is é an príomh -dhifreálaí do Wuxi Huiqian a dtiomantas do shástacht na gcustaiméirí. Seachas táirgí ardchaighdeáin a sheachadadh, cuireann siad béim shuntasach ar sheirbhís iar-dhíolacháin, ag soláthar tacaíocht theicniúil agus treoir ghairmiúil ar feadh saolré a gcórais. Cinntíonn an tiomantas seo go bhfaigheann gach custaiméir an luach iomlán óna n -infheistíocht, le réitigh saincheaptha agus tacaíocht leanúnach chun na riachtanais loighistice is casta a láimhseáil.
Réiteach iomlánaíoch do loighistic nua -aimseartha
Mar fhocal scoir, tá Wuxi Huiqian Logistics Innealra déantúsaíochta Co. Léiríonn a gcórais iompair ilchainéil, atá deartha chun raon cineálacha pailléid a láimhseáil ag an am céanna, réiteach sofaisticiúil a fhreastalaíonn ar éilimh oibríochtaí loighistice nua-aimseartha.
Má lorgaíonn tú comhpháirtí atá in ann d'éifeachtúlacht loighistice a ardú agus réitigh shaincheaptha, inscálaithe a sheachadadh, tá córais phailléid Wuxi Huiqian níos mó ná táirge amháin-is infheistíocht iad i rath oibríochtúil fadtéarmach do ghnó.
Ceardaíocht a thabhairt chun cinn sa todhchaí.
Uimh.60, Zhenhu Bóthar Thuaidh, Baile Hudai, Ceantar Binhu, Wuxi 214100, an tSín
+86 139-2153-1116
+86-510-8558 1519/8558 1530
+86-510-8558 1520